EasyManua.ls Logo

Branson F42h - Hyd Control Position Type

Branson F42h
454 pages
Print Icon
To Next Page IconTo Next Page
To Next Page IconTo Next Page
To Previous Page IconTo Previous Page
To Previous Page IconTo Previous Page
Loading...
6
-
62
42hW-201601
CHAPTER 6 HYDRAULIC SYSTEM 3015R(h)/3515R(h)/4015R(h)/F36R(h)/F42R(h) TRACTOR
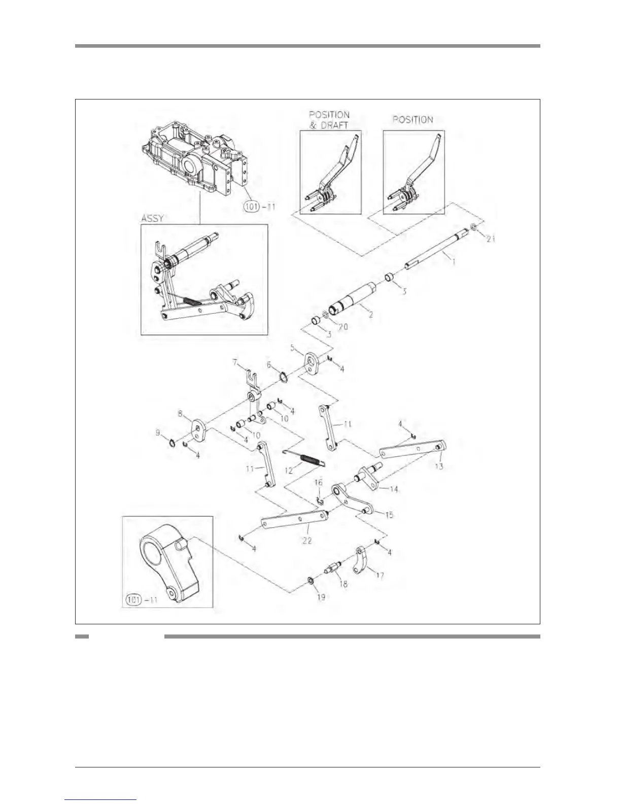
6.10 HYD CONTROL POSITION TYPE
K25W614A
(1) Shaft,position lever
(2) D-control shaft
(3) Bush
(4) Snap ring(E)
(5) Plate
(6) Snap ring
(7) Link ass’y
(8) Plate
(9) Snap ring
(10) Roller
(11) Link B ass’y
(12) Spring
(13) Link
(14) Link ass’y(in)
(15) Link, feed back
(16) Snap ring(E)
(17) Link
(18) Pin, feed back
(19) Spring washer
(20) O-ring
(21) O-ring
(22) Link, position
COMPONENTS

Table of Contents

Other manuals for Branson F42h

Related product manuals