EasyManua.ls Logo

Branson F42h - Fuel Injection Pump

Branson F42h
454 pages
Print Icon
To Next Page IconTo Next Page
To Next Page IconTo Next Page
To Previous Page IconTo Previous Page
To Previous Page IconTo Previous Page
Loading...
2
-
51
42hW-201601
CHAPTER 2 ENGINE3015R(h)/3515R(h)/4015R(h)/F36R(h)/F42R(h) TRACTOR
2
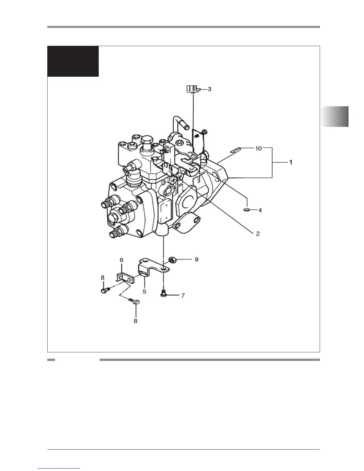
5.11 FUEL INJECTION PUMP
K25W2A71A
(1) Fuel injection pump ass’y
(2) Support
(3) Hook
(4) E-type retaining-ring
(5) Bracket,pump(A)
(6) Bracket,pump(B)
(7) Screw, hexagon head cap
(8) Bolt, ange 8 x 16
(9) Nut, ange
(10) Key,woodruff
COMPONENTS
A1700N4_ETR
A1700T2_ETR
A1700N4_UTR_4
A1700T2_UTR_4

Table of Contents

Other manuals for Branson F42h

Related product manuals