EasyManua.ls Logo

Branson F42h - Hyd Piping

Branson F42h
454 pages
Print Icon
To Next Page IconTo Next Page
To Next Page IconTo Next Page
To Previous Page IconTo Previous Page
To Previous Page IconTo Previous Page
Loading...
6
-
65
42hW-201601
CHAPTER 6 HYDRAULIC SYSTEM
6
3015R(h)/3515R(h)/4015R(h)/F36R(h)/F42R(h) TRACTOR
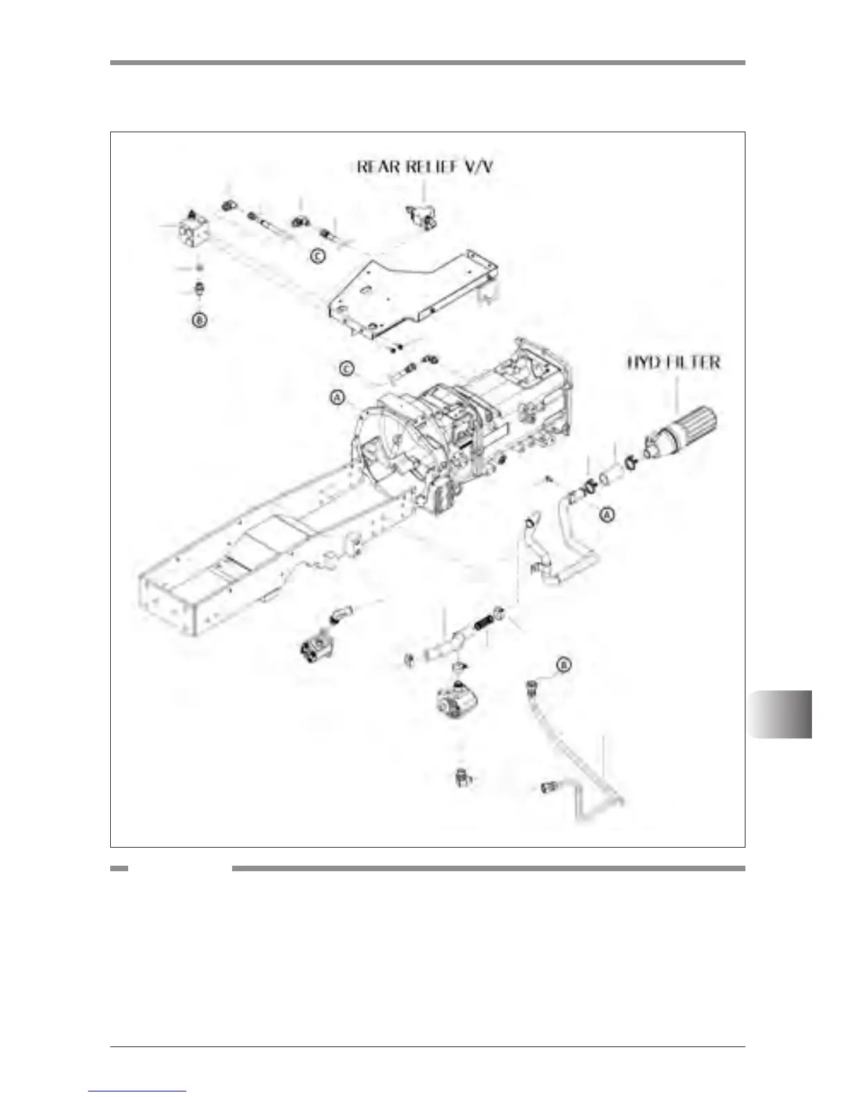
6.12 HYD PIPING
(1) Rubber hose
(2) Spring a
(3) Hose clamp
(4) Pipe ass’y , lower pressure
(5)Hexangebolt
(6) Hose band
(7) Lower pressure hose
(8) Front out valve
(9) Elbow
(10) Elbow
(11) O-ring
(12) Nipple
(13) Hose
(14) Higher hose
(15) Pipe ass’y , higher pressure
COMPONENTS






K42W611B

Table of Contents

Other manuals for Branson F42h

Related product manuals