EasyManua.ls Logo

Branson F42h - Clutch Release

Branson F42h
454 pages
Print Icon
To Next Page IconTo Next Page
To Next Page IconTo Next Page
To Previous Page IconTo Previous Page
To Previous Page IconTo Previous Page
Loading...
3
-
7
CHAPTER 3 CLUTCH3015R(h)/3515R(h)/4015R(h)/F36R(h)/F42R(h) TRACTOR
42hW-201601
3
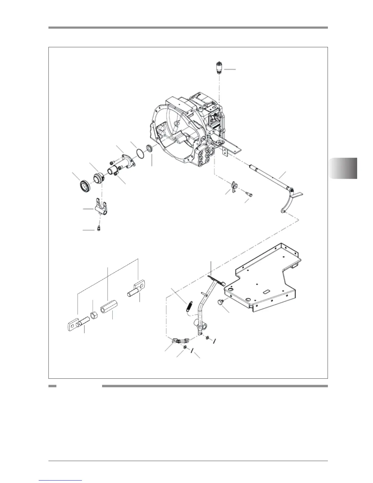
2.2 CLUTCH RELEASE














F42W304A
(1) Cover
(2) O-ring
(3) Oil seal
(4) Hex ange bolt
(5) Sleeve, bearing
(6) Release bearing ass’y
(7) Yoke, clutch shift
(8) Bolt
(9) Release shaft(main clutch)
(10) Clutch pedal
(11) Clutch road
(12) Plain washer
(13) Cotter pin
(14) Spring
(15) Stopper
(16) Lock, clutch pedal
(17) Bolt
(18) Safety switch, clutch
(19) Rod
(20) Rod
(21) Turn buckle
(22) U-nut
COMPONENTS

Table of Contents

Other manuals for Branson F42h

Related product manuals