EasyManua.ls Logo

Branson F42h - Hyd Filter

Branson F42h
454 pages
Print Icon
To Next Page IconTo Next Page
To Next Page IconTo Next Page
To Previous Page IconTo Previous Page
To Previous Page IconTo Previous Page
Loading...
6
-
66
42hW-201601
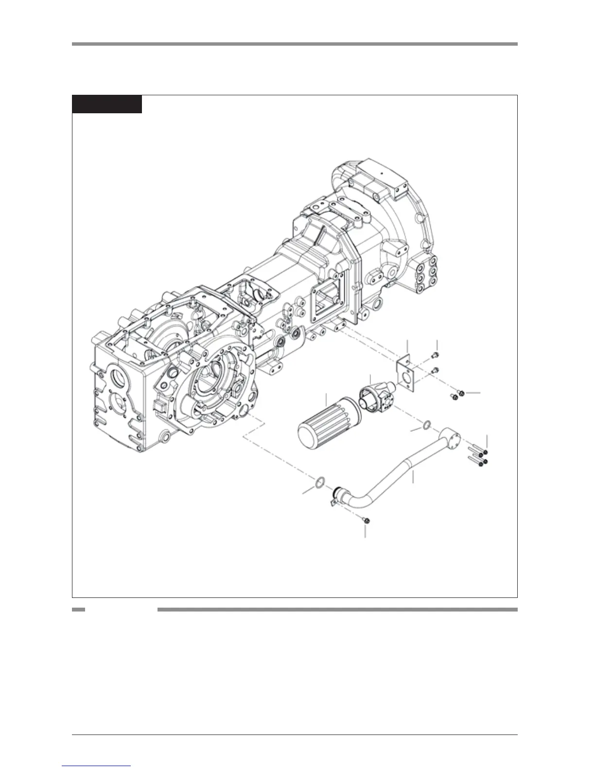
CHAPTER 6 HYDRAULIC SYSTEM 3015R(h)/3515R(h)/4015R(h)/F36R(h)/F42R(h) TRACTOR
6.13 HYD FILTER
F42W609A
(1) Filter
(2) Filter cover
(3) O-ring
(4)Lowerpressurepipe(lter)
(5)Hexangebolt
(6) O-ring
(7) Filter cover bracket
(8)Hexangebolt
COMPONENTS
MEC. MODEL

Table of Contents

Other manuals for Branson F42h

Related product manuals