EasyManua.ls Logo

Branson F42h - Pto Operation

Branson F42h
454 pages
Print Icon
To Next Page IconTo Next Page
To Next Page IconTo Next Page
To Previous Page IconTo Previous Page
To Previous Page IconTo Previous Page
Loading...
7
-
14
42hW-201601
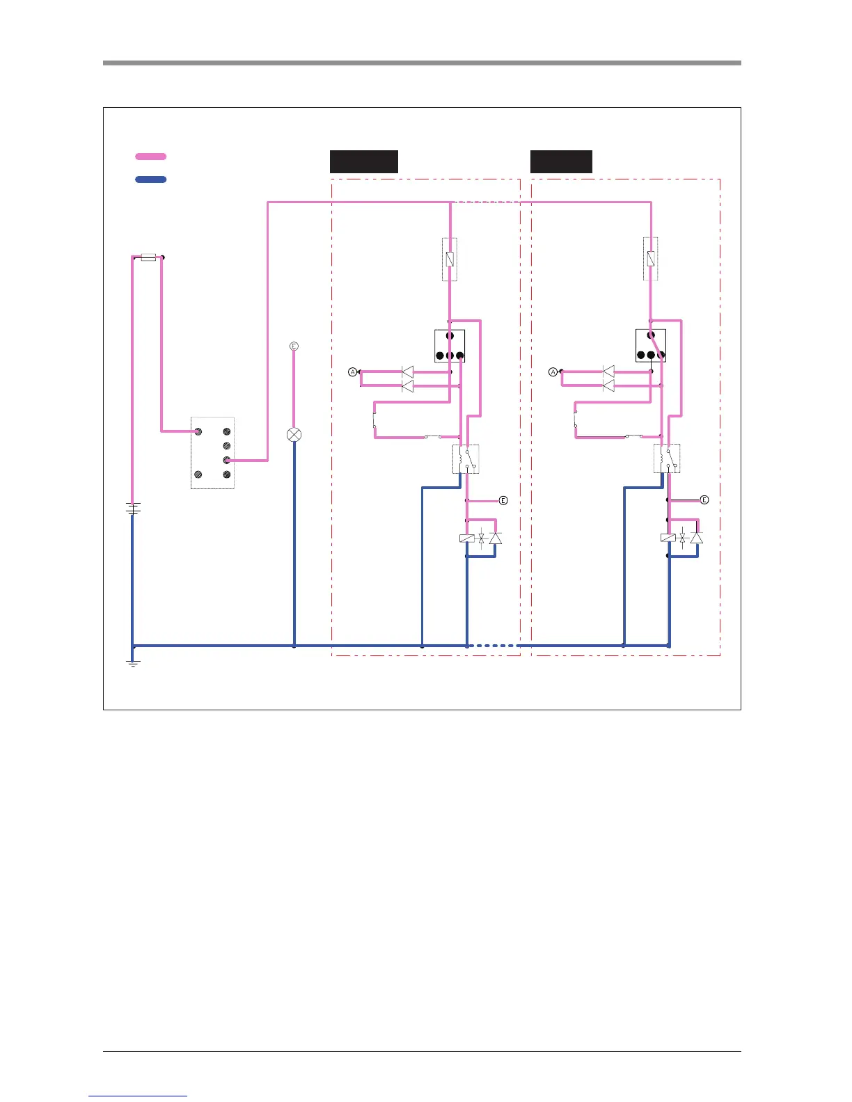
CHAPTER 7 ELECTRIC SYSTEM 3015R(h)/3515R(h)/4015R(h)/F36R(h)/F42R(h) TRACTOR
4.4 PTO OPERATION
#8
#83
#83
#3
1-:
'3(
'3#
1:-
$#
##
1:(
1-3
1:#
#"55&3:
'64&#-*/,108&3
,&:48*5$)
$-65$)4"'&5:48
$-65$)4"'&5:48
'64&
"
1507"-7&
1503&-":
150$)"/(&48*5$)
$
#3
#3
&
$
#
#83
1-:
'3(
'3#
1:-
$#
##
1:(
1-3
1:#
'64&
"
1507"-7&
1503&-":
150$)"/(&48*5$)
1:-
150-".1
150
&/("(&.&/548
150
&/("(&.&/548
POWER
GROUND
SWR#OLQN SWR#LQG
K20W706C
                                                  


            
                 


                                    


                                  





Table of Contents

Other manuals for Branson F42h

Related product manuals