EasyManua.ls Logo

Branson F42h - Page 89

Branson F42h
454 pages
Print Icon
To Next Page IconTo Next Page
To Next Page IconTo Next Page
To Previous Page IconTo Previous Page
To Previous Page IconTo Previous Page
Loading...
2
-
43
42hW-201601
CHAPTER 2 ENGINE3015R(h)/3515R(h)/4015R(h)/F36R(h)/F42R(h) TRACTOR
2
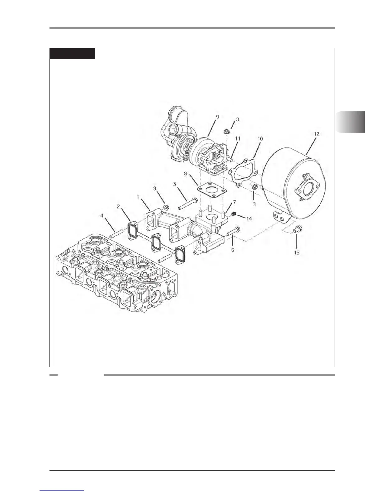
F42W207A
(1) Manifold, exhaust
(2) Gasket, exh. Manifold
(3) Nut, ange 8
(4) Bolt, stud 8 x 40
(5) Bolt, ange 8 ×65
(6) Bolt, ange 8 × 80
(7) Bolt, stud 8 x 22
(8) Gasket(T/C in)
(9) Turbo charge
(10) Gasket(T/C out)
(11) Bolt, stud 8 x 22
(12) Silencer, exhaust
(13) Bolt, ange 10 x 16
(14) Plug, pt 1/4
COMPONENTS
A1700T2_ETR

Table of Contents

Other manuals for Branson F42h

Related product manuals