EasyManua.ls Logo

Brightwell Brightlogic 2 - Instructions Dinstallation - Câblage 1

Brightwell Brightlogic 2
52 pages
Print Icon
To Next Page IconTo Next Page
To Next Page IconTo Next Page
To Previous Page IconTo Previous Page
To Previous Page IconTo Previous Page
Loading...
18
Revision 1.1
09/2024
B1051UL
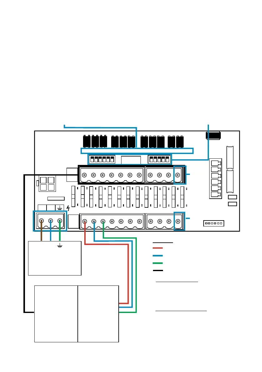
INSTRUCTIONS D’INSTALLATION - CÂBLAGE 1
INSTRUCTIONS D’INSTALLATION - CÂBLAGE 1
A
RAIL
B RAIL
COMMON
COMMON
ISOLATED
B RAIL
COMMON
B
RAIL
Lorem ipsum
AFS
AFS
L
N
L N
Dans la plupart des cas, la carte d'interface ou les solénoïdes de la machine hôte ont un point
commun (c'est-à-dire que leurs bornes négatives sont toutes reliées par un l commun).
Les interrupteurs S1 & S2 peuvent être laissés en position commune (position haute), et le l unique
(commun) peut être amené sur le rail B.
SI LE COMMUTATEUR APPROPRIÉ N’EST PAS ACTIONNÉ , L’APPAREIL TOMBERA EN
PANNE. N’ESSAYEZ PAS D’ACTIONNER LES COMMUTATEURS LORSQUE L’APPAREIL EST
SOUS TENSION.
RP1, RP2, RP3 & RP4
Enlever pour permettre un signal
inférieur à 90 volts AC ou DC (min
12V)
S1 & S2
Commutation sur les signaux
communs de la voie B
Alimentation 100-240v(AC)
50/60Hz
Provenant d'un point isolé
lorsque la machine hôte est
éteinte
Entrées de signaux 90v-240v AC ou DC
Rail B (négatif)
Lorsque les
interrupteurs
sont en position
verticale, un signal
d'entrée commun
(neutre/négatif)
peut être envoyé au
rail B
Rail A (positif)
Le signal positif
(sous tension) de
chaque entrée
doit être acheminé
vers la connexion
correspondante sur
le rail A.
INPUT 1 - Prélavage
INPUT 2 - Lavage principal
INPUT 3 - Rinçage
COMMUN
Câblage recommandé
Taille maximale = 1,5mm²
Taille minimale = 0,5mm²
Courant = 0,5A
Avertissement de sécurité
En cas d'utilisation de signaux basse
tension, les ls de signaux vers les rails A
et B doivent être acheminés dans un câble
séparé de l'alimentation principale de l'unité.
Des ls de qualité appropriée doivent être
utilisés.
Exemple

Table of Contents

Related product manuals