EasyManua.ls Logo

Brightwell Brightlogic 2 - Installation Instructions - Wiring 1

Brightwell Brightlogic 2
52 pages
Print Icon
To Next Page IconTo Next Page
To Next Page IconTo Next Page
To Previous Page IconTo Previous Page
To Previous Page IconTo Previous Page
Loading...
6
Revision 1.1
09/2024
B1051UL
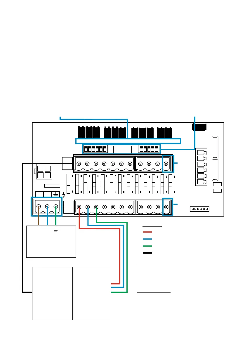
INSTALLATION INSTRUCTIONS - WIRING 1
A
RAIL
B RAIL
COMMON
COMMON
ISOLATED
B RAIL
COMMON
B
RAIL
Lorem ipsum
AFS
AFS
INSTALLATION INSTRUCTIONS - WIRING 1
In most cases, the interface board or solenoids in the host machine will have a common (i.e their
negative terminals are all linked by a common wire).
The switches S1 & S2 can be left switched to common (up position), and the single(common) wire
taken to the B rail.
FAILURE TO SWITCH THE APPROPRIATE SWITCH WOULD RESULT IN UNIT FAILURE.
DO NOT ATTEMPT TO SWITCH THE SWITCHES WHEN THE POWER IS ON.
RP1, RP2, RP3 & RP4
Remove to allow signal below 90 volts
AC or DC (min 12V)
S1 & S2
Switch to common signals on
the B-rail
Power Supply
100-240v(AC) 50/60Hz
Sourced from a point which
is isolated when the host
machine is o󰀨
Signal Inputs 90v-240v AC or DC
B Rail
(Negative)
With the switches in
an upright position,
a common (neutral/
negative) input
signal can be taken
to the B Rail
INPUT 1 - Pre-Wash
INPUT 2 - Main Wash
INPUT 3 - Rinse
COMMON
Recommended Wiring
Max Size = 1.5mm²
Min Size = 0.5mm²
Current = 0.5A
Safety Warning
If low voltage signals are used, signal
wires to the A and B rails should be rout-
ed in separate cable from the main power
to the unit.
Suitable grade wire must be used.
L
N
Example
L N
A Rail
(Positive)
The positive (live)
signal from each
input must be taken
to the relevant
connection on the
A Rail.

Table of Contents

Related product manuals