EasyManua.ls Logo

Broaster VF-2 - Page 16

Broaster VF-2
60 pages
Print Icon
To Next Page IconTo Next Page
To Next Page IconTo Next Page
To Previous Page IconTo Previous Page
To Previous Page IconTo Previous Page
Loading...
3-6
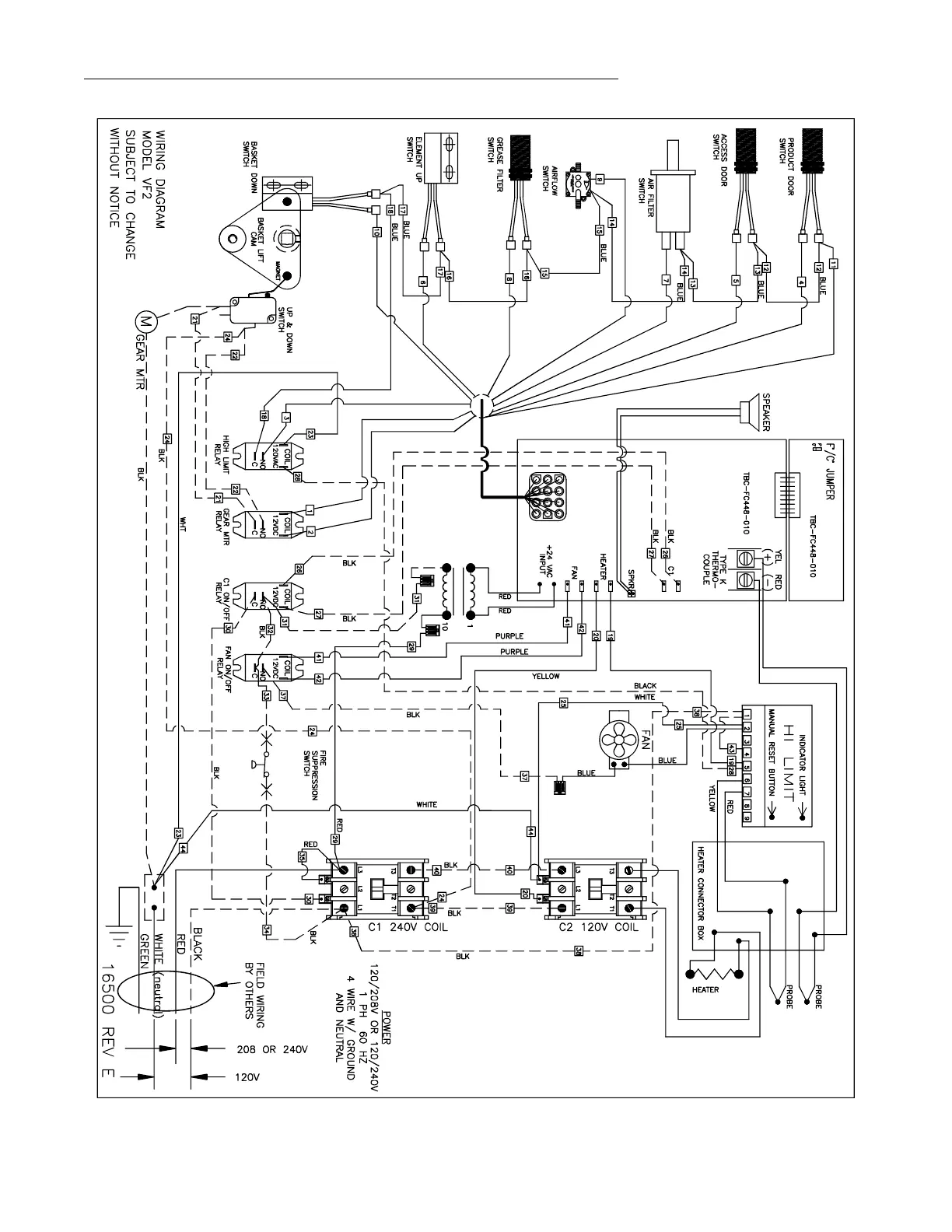
WIRING DIAGRAM - VF-2 effective S/N VF2F90xxxx
NO
NC
C
PRESSU RE SENS OR
P
MPL
broaster.com Manual #16421 5/06 Rev 4/14

Other manuals for Broaster VF-2

Related product manuals