EasyManua.ls Logo

Broderson RT-400-A - Page 61

Default Icon
93 pages
Print Icon
To Next Page IconTo Next Page
To Next Page IconTo Next Page
To Previous Page IconTo Previous Page
To Previous Page IconTo Previous Page
Loading...
3-14
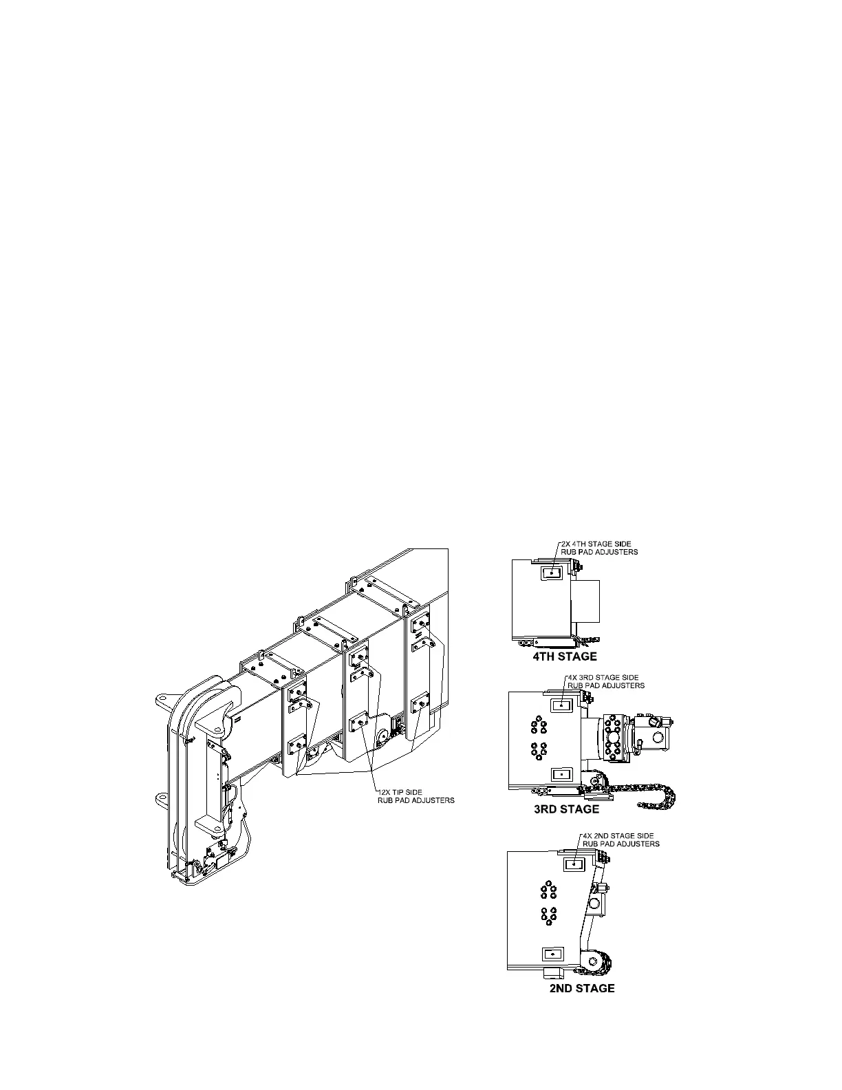
RUB PAD ADJUSTMENT
The rub pads on the sides of the boom may require adjustments as they wear. Adjustable rub
pads are located at the tips of the outer boom, second stage, and third stage. Adjustable rub
pads are also located at the bases of the second stage, third stage, and fourth stage.
To determine if adjustment is required:
1. Set the outriggers.
2. EXTEND and RAISE the boom fully.
3. RAISE or LOWER the hook so that the wire rope is coming off the extreme left side of
the hoist.
4. Check to make sure the wire rope does not contact the mounts for the wire rope retain-
ers.
5. LOWER the boom and check to make sure the rope does not slip off the sides of the rub
pads, mounted on the top of the boom.
6. Repeat steps 2-5 with the wire rope at the extreme right side of the hoist.
7. EXTEND and RAISE the boom fully.
8. Lift a 5000-10,000-pound (2250-4500 kg) load, in this position, just off the ground.
9. Check that the boom appears visually straight, and that stages are not leaning in alter-
nating directions. For example, the second and fourth stages lean left, while the third
stage lean right.
Rub pads can be tightened as necessary using a 9/16-wrench.

Related product manuals