EasyManua.ls Logo

Brother HL-5130 - Page 163

Brother HL-5130
276 pages
To Next Page IconTo Next Page
To Next Page IconTo Next Page
To Previous Page IconTo Previous Page
To Previous Page IconTo Previous Page
Loading...
CHAPTER 4 DISASSEMBLY AND RE-ASSEMBLY
4-62
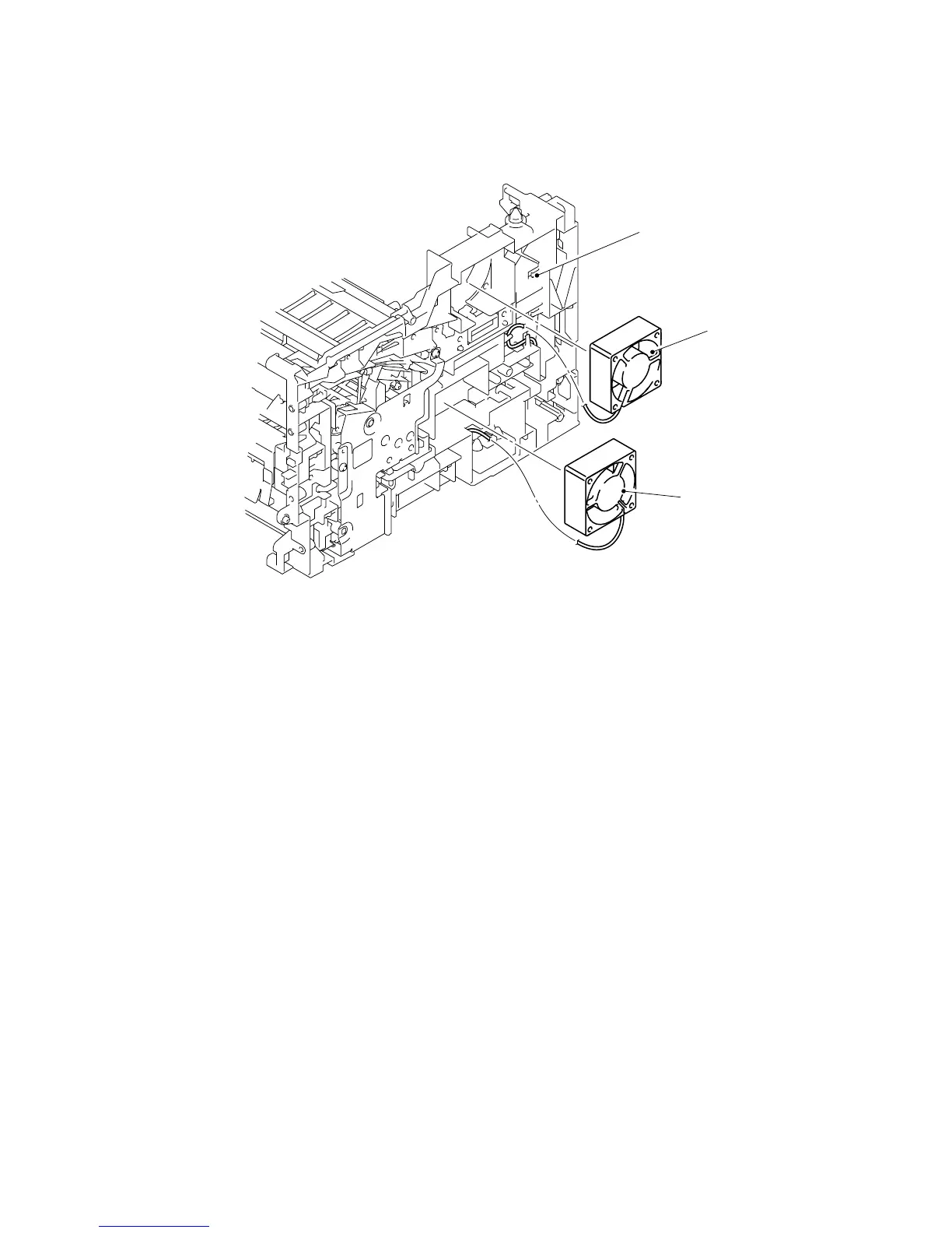
3.25 Fan Motor 60 Unit LV / Fan Motor 60 Unit
(1) Remove the fan motor 60 unit LV and the fan motor 60 unit from the main frame R.
Fig. 4-109
NOTE:
When you attach the fan motor 60 unit LV or fan motor 60 unit, make sure that its label faces
outside of the printer.
Main frame R
Fan motor 60 unit
Fan motor 60 unit LV

Table of Contents

Other manuals for Brother HL-5130

Related product manuals