EasyManua.ls Logo

Brother LS2-B892 - Réglage de la Hauteur du Couteau Dentraînement; Ajuste de Altura de la Cuchilla Móvil

Brother LS2-B892
155 pages
Print Icon
To Next Page IconTo Next Page
To Next Page IconTo Next Page
To Previous Page IconTo Previous Page
To Previous Page IconTo Previous Page
Loading...
79 LS2-B891, LT2-B892
13. STANDARD ADJUSTMENTS
13. STANDARDEINSTELLUNGEN
13. REGLAGES STANDARD
13. AJUSTES ESTANDARES
13-2-3. Réglage de la hauteur du couteau d’entraînement
13-2-3. Ajuste de altura de la cuchilla móvil
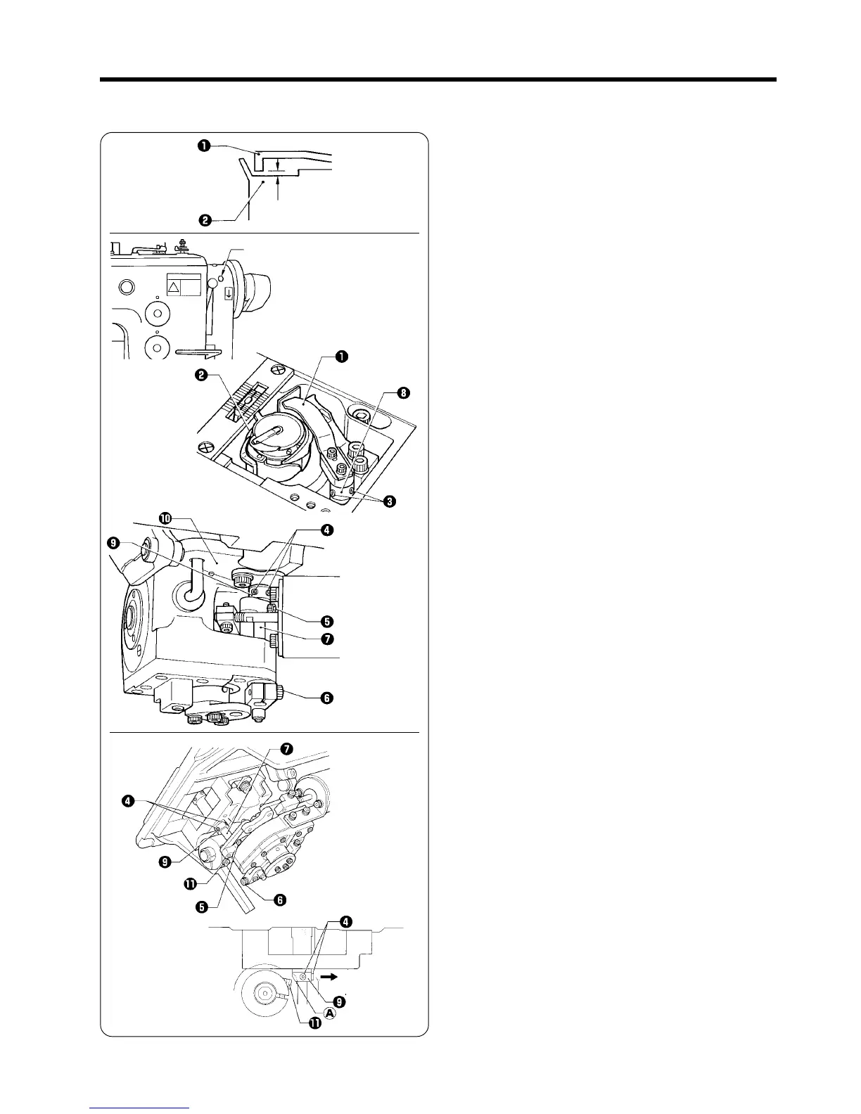
L’écart entre le bord de la lame inférieure du couteau
d’entraînement q et la surface inférieure du crochet rotatif in-
terne w doit être de 0,3 - 0,4 mm.
1. Tourner la poulie de machine jusqu’à ce que “D” apparaisse
dans la fenêtre du protecteur de courroie. (Ceci afin de régler
le couteau d’entraînement q de manière qu’on puisse ensuite
le déplacer avec la main.)
2. Desserrer les deux vis de réglage e.
3. Basculer la tête de machine vers l’arrière.
4. Desserrer les deux vis de réglage r, le boulon t et le boulon
y.
5. Déplacer l’arbre u du couteau d’entraînement vers le haut ou
le bas pour régler la position du couteau d’entraînement q.
6. Accrocher la base !0 du crochet horizontal à l’aide des colliers
i et o de vis de réglage, puis serrer les vis de réglage e et
r pour fixer l’arbre u du couteau d’entraînement.
* Vérifier si l’arbre u du couteau d’entraînement tourne alors
bien régulièrement, sans jeu dans le sens vertical.
7. Resserrer provisoirement le boulon t et le boulon y.
* Ensuite, effectuer les procédures des sections “Réglage de
la position d’arrêt du couteau d’entraînement” et “Réglage
de la position de fonctionnement du couteau d’entraînement”.
(Se reporter aux pages 80 et 83.)
<B892>
Pour régler la hauteur du couteau d'entraînement gauche,
procéder comme pour le couteau d'entraînement droit, mais en
notant bien les points suivants toutefois.
Les positions des vis de réglage r, du boulon t et de l'arbre
du couteau d'entraînement u sont indiquées sur l'illustration
ci-contre à gauche.
Lorsqu'on serre les vis de fixation r lors de l'étape 6, les
serrer de manière que l'une soit orientée vers l'avant et l'autre
vers la gauche. (Veiller à ce que l'encoche A soit placée de
manière que le boulon du collier !1 n'entre pas en contact
avec le collier o).
La separación entre el borde de la hoja inferior de la cuchilla
móvil q y la superficie inferior de la lanzadera interior w debe
de ser 0,3 - 0,5 mm.
1. Girar la polea de la máquina hasta “D” se puede ver en la
ventanilla del protector de correa. (Esto es para ajustar la
cuchilla móvil q de manera que pueda ser movida a mano.)
2. Aflojar los dos tornillos de ajuste e.
3. Inclinar hacia atrás la cabeza de la máquina.
4. Aflojar los dos tornillos de ajuste r, el perno t y el perno
y.
5. Mover el eje de la cuchilla móvil u hacia arriba o hacia abajo
para ajustar la posición de la cuchilla móvil q.
6. Apretar la base del garfio horizontal !0 con los cuellos de
tornillos de ajuste i y o, y luego apretar los tornillos de
ajuste e y r en asegurar el eje de la cuchilla móvil u.
* Verificar que el eje de la cuchilla móvil u gira suavemente
en este momento y no tiene juego vertical.
7. Apretar provisoriamente el perno t y el perno y.
* Después, realizar los procedimientos en “Ajuste de posición
de parada de la cuchilla móvil” y “Ajuste de posición de
funcionamiento de la cuchilla móvil”. (Consultar la páginas
80 y 84.)
<Para la B892>
El ajuste de la altura de la cuchilla móvil izquierda se realiza de
la misma manera que para la cuchilla móvil derecha, pero se
deben tener en cuenta los siguientes puntos.
Las posiciones de los tornillos de ajuste r, perno t y eje de
cuchilla móvil u son tal como se indican en la figura a la izquierda.
Al apretar los tornillos de ajuste r en el paso 6, apretarlos de
manera que uno quede mirando hacia adelante y otro mirando
hacia la izquierda. (Asegúrese que la muesca A esté ubicada
de manera que el perno de cuello !1 no toque el cuello o.)
0,3 - 0,4 mm
[B892]
D
Avant
Adelante

Table of Contents

Related product manuals