EasyManua.ls Logo

Brouwer ROLLMAX 2400 - Page 75

Default Icon
80 pages
Print Icon
To Next Page IconTo Next Page
To Next Page IconTo Next Page
To Previous Page IconTo Previous Page
To Previous Page IconTo Previous Page
Loading...
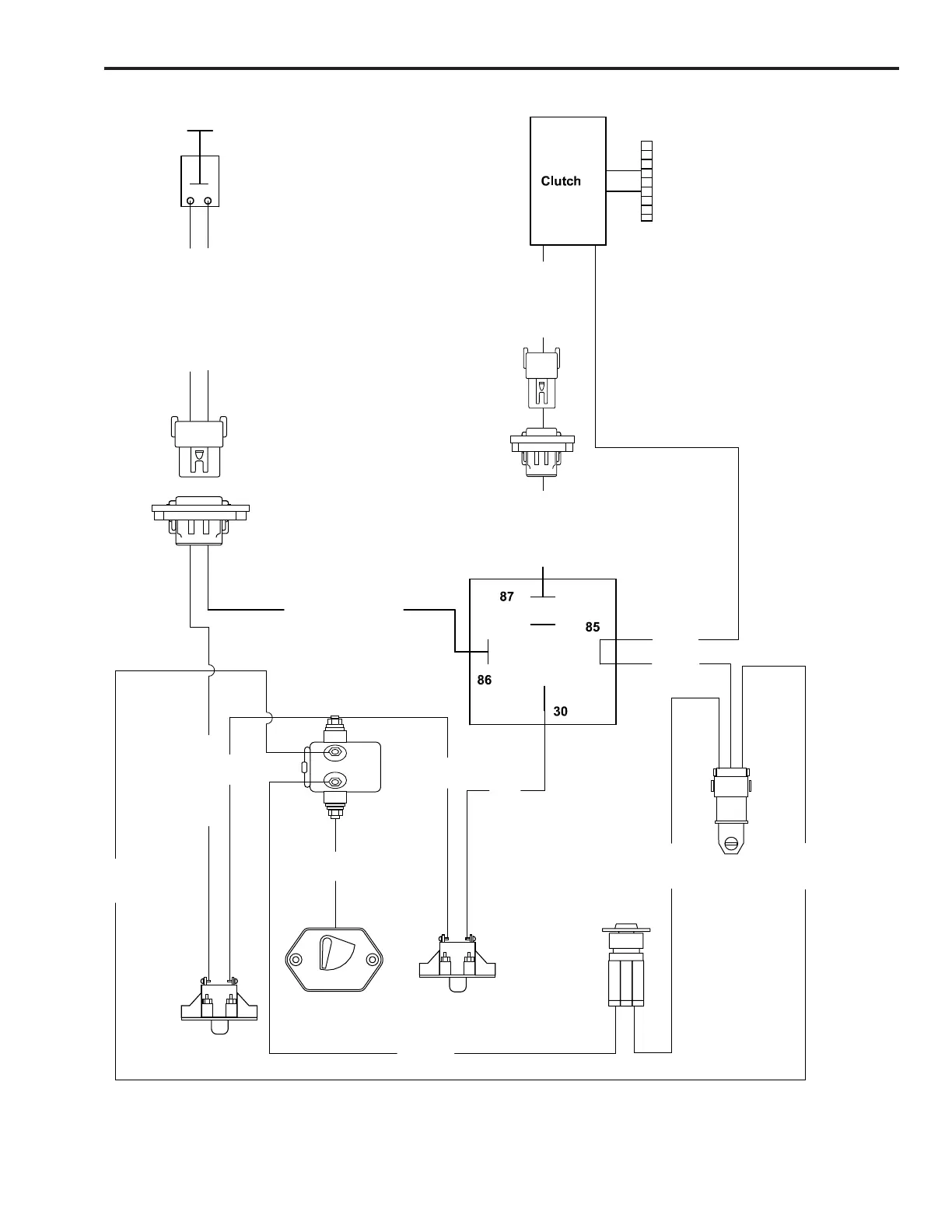
4 amp
BREAKER
40 amp
BREAKER
BLACK
BLACK
BLACK
BLACK
BLACK
DARK BLUE DARK BLUE
WHITE/BLACK
WHITE/DARK BLUE
RED
ORANGE
DARK BLUE/WHITE
DARK BLUE/WHITE
GROUND BUS
CLUTCH SWITCH
E-STOP
RELAY
RED
RED
RED
K1 RELAY
80 amp
BREAKER
ELECTRICAL SCHEMATIC - CLUTCH
6-03