EasyManua.ls Logo

Brouwer ROLLMAX 2400 - Page 76

Default Icon
80 pages
Print Icon
To Next Page IconTo Next Page
To Next Page IconTo Next Page
To Previous Page IconTo Previous Page
To Previous Page IconTo Previous Page
Loading...
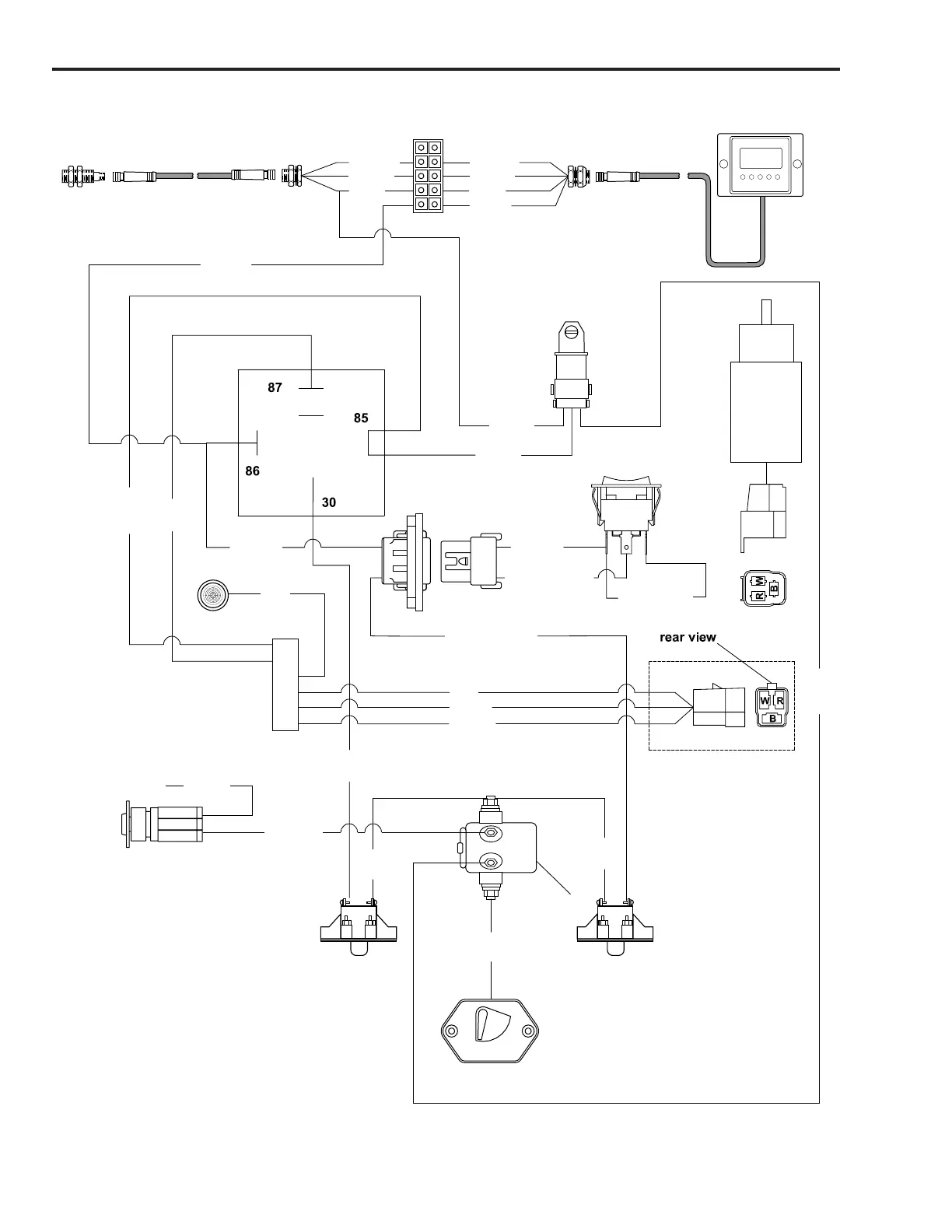
ELECTRICAL SCHEMATIC - MANUAL CUT-OFF
6-04
GROUND BUS
COUNTER SCREEN
PROXIMITY
SENSOR
RELAY
SOLENOID
GROUND BUS - 12 PIN
E-STOP
ROCKER SWITCH
BEEPER
SOLENOID
MODULE
40 amp
BREAKER
4 amp
BREAKER
14
RED
WHITE/BLACK
WHITE/BLACK
RED
RED
K1 RELAY
80 amp
BREAKER
RED/BLACK
Durant
BROWN
BLACK
BLUE
WHITE
BROWN
BLUE
BLACK
BROWN
GND
HOT
AUX
RED
WHT
BLK
RED
RED
WHITE
BLACK
ORANGE
BLACK
BLACK
BLACK
BROWNBROWN
BLACK
BLACK
RED
RED
To Ground Bus