EasyManua.ls Logo

Brouwer ROLLMAX 2400 - Page 77

Default Icon
80 pages
Print Icon
To Next Page IconTo Next Page
To Next Page IconTo Next Page
To Previous Page IconTo Previous Page
To Previous Page IconTo Previous Page
Loading...
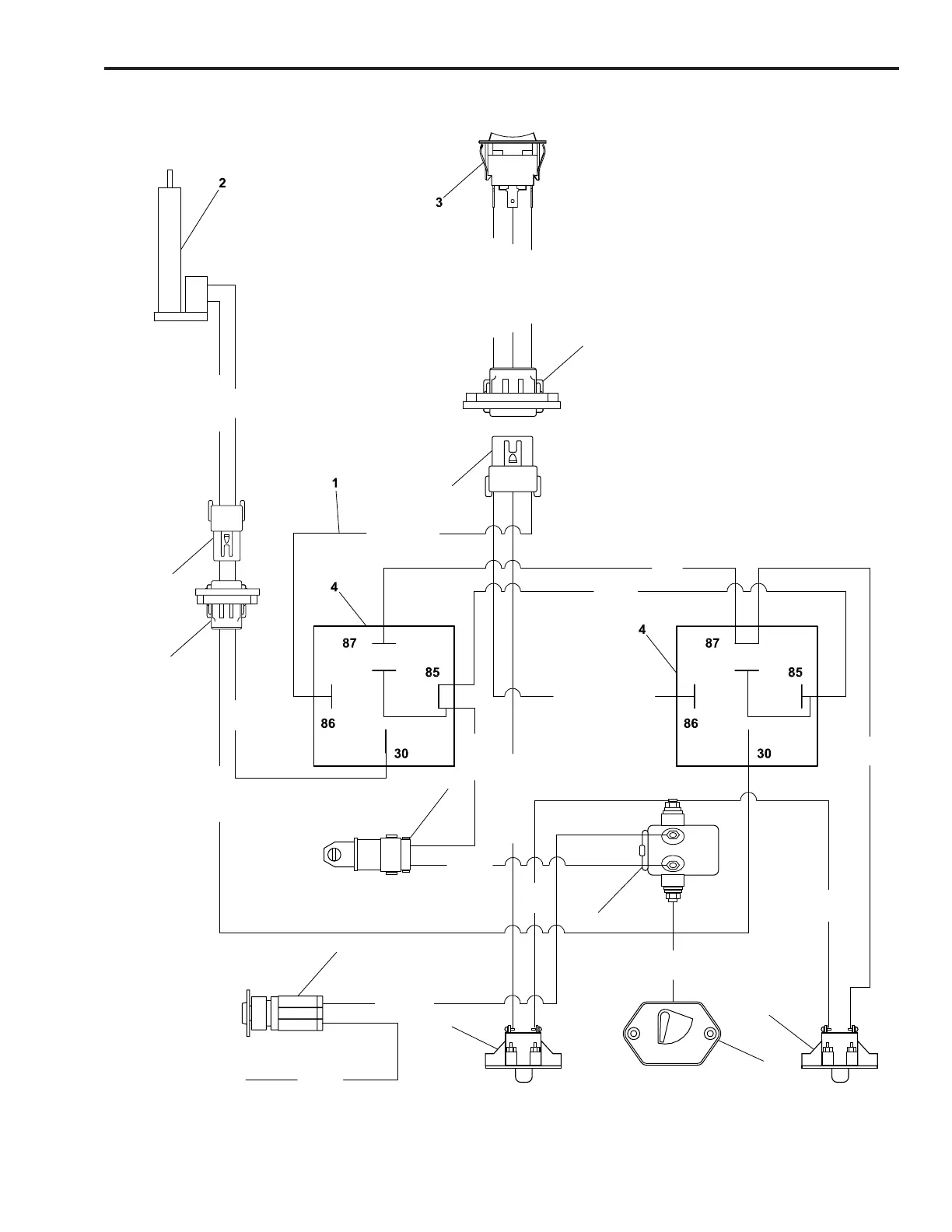
ELECTRICAL SCHEMATIC - TUBE RACK
6-05
87a
87a
RED
RED
RED
YELLOW
YELLOW
4 amp
BREAKER
40 amp
BREAKER
WHITE/RED
WHITE/RED
WHITE/BLACK
WHITE/YELLOW
WHITE/BLACK
WHITE/YELLOW
BLACK
BLACK
BLACK
ORANGE
BLACK
RED
5
9
10
7
8
6
11
13
12
RED
RED
RED
K1 RELAY
80 amp
BREAKER
14
GROUND BUS
ROCKER SWITCH
LINEAR ACTUATOR
E-STOP
RELAYRELAY
To Ground Bus