EasyManua.ls Logo

Brouwer ROLLMAX 2400 - Page 78

Default Icon
80 pages
Print Icon
To Next Page IconTo Next Page
To Next Page IconTo Next Page
To Previous Page IconTo Previous Page
To Previous Page IconTo Previous Page
Loading...
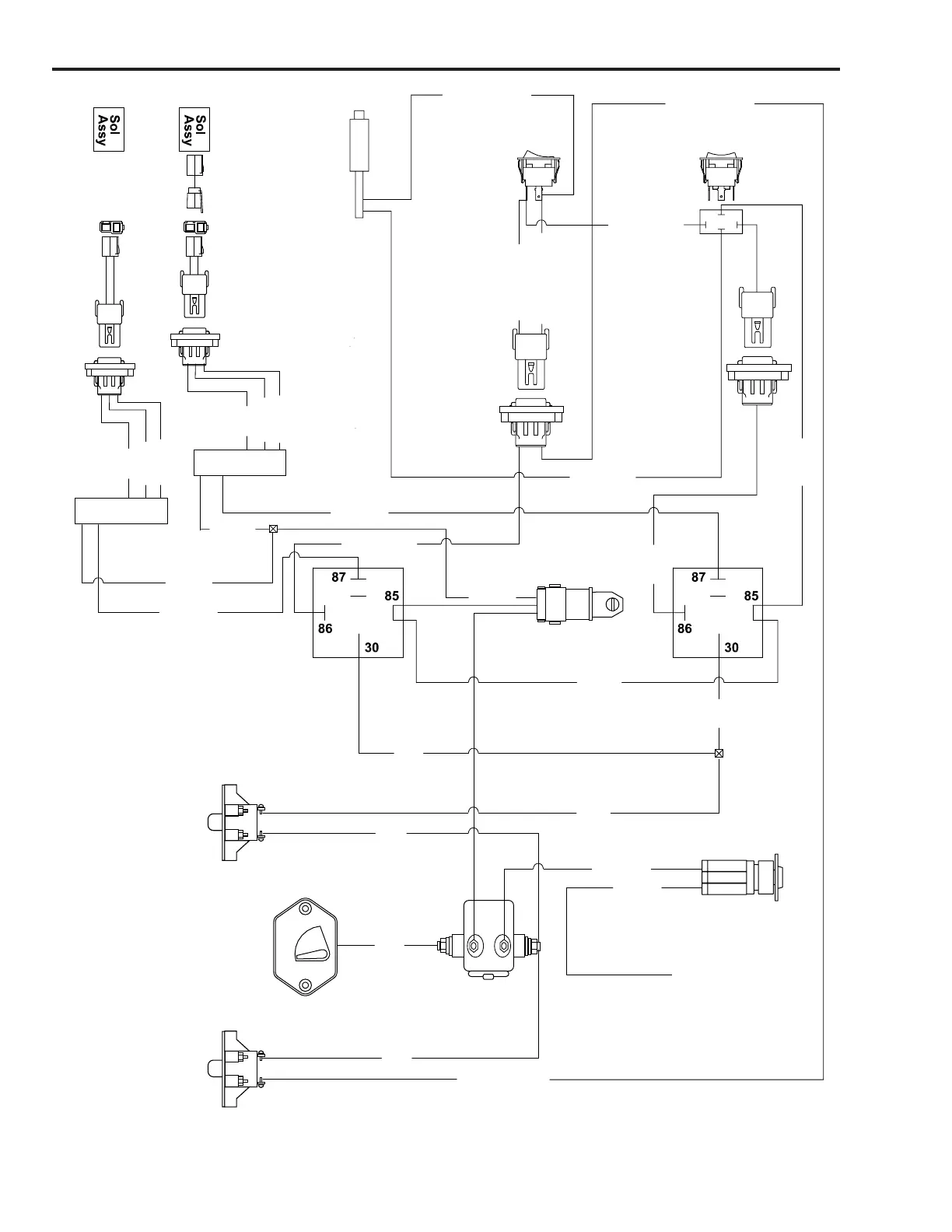
ELECTRICAL SCHEMATIC - NETTING
6-06
4 amp
BREAKER
40 amp
BREAKER
RED
ORANGE
BLACK
WHITE/BLACK
RELAY
GROUND BUS
E-STOP
RELAY
ROCKER SWITCHROCKER SWITCH
CLAMP SWITCH
RED
RED
RED
RED
K1 RELAY
80 amp
BREAKER
GND
HOT
AUX
RED
WHT
BLK
GND
HOT
AUX
RED
WHT
BLK
RED
WHITE/BLACK
WHITE/BLACK
WHITE/BLACK
RED/BLACK
RED/BLACK
Bottom Net Clamp
Top Net Start
BLUE
BLACK
BLACK
BLACK
BLACK
ORANGE
ORANGE
BLACK
RED/BLUE
RED/BLACK
BLACK
RED
WHITE
BLACK
RED
WHITE
To Ground Bus