EasyManua.ls Logo

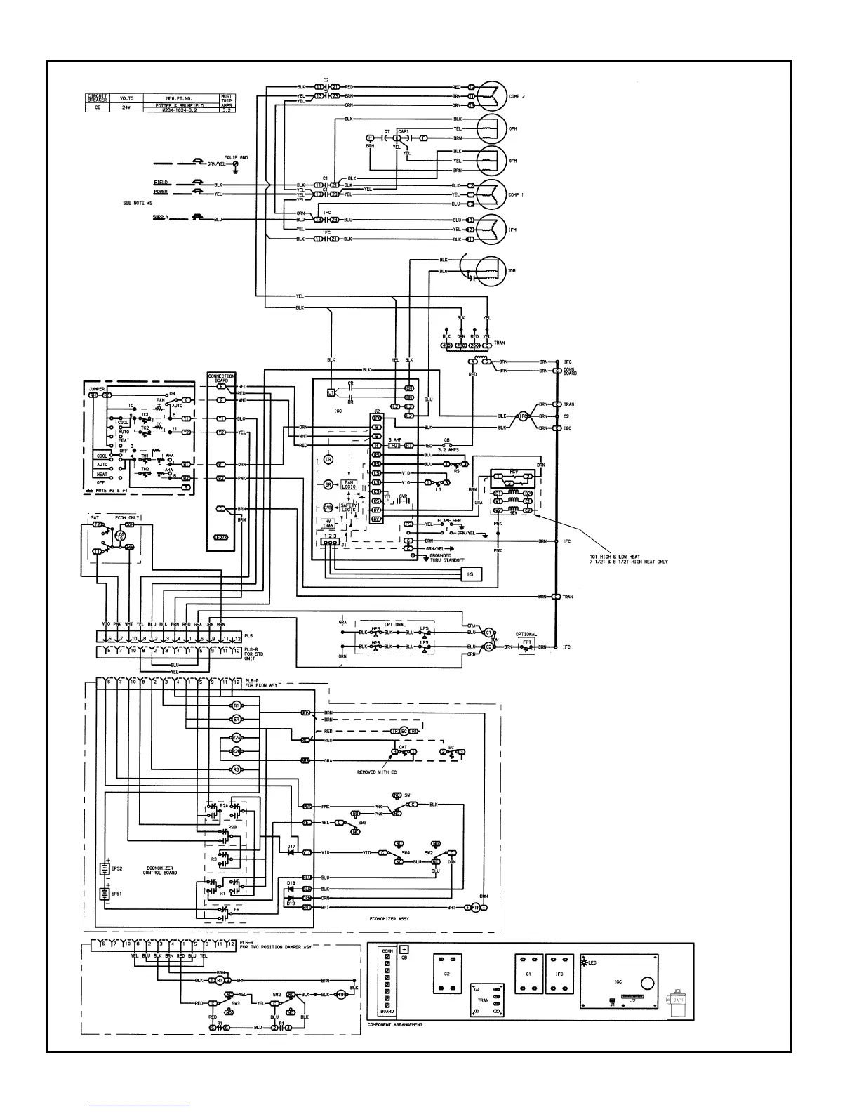
Bryant 580D - TYPICAL WIRING SCHEMATIC - 580 D036-150

Bryant 580D
72 pages
Print Icon
To Next Page IconTo Next Page
To Next Page IconTo Next Page
To Previous Page IconTo Previous Page
To Previous Page IconTo Previous Page
Loading...
TYPICAL WIRING SCHEMATIC 580D036-150
NOTES FOR 580D036-150 UNITS:
1. If any of the original wire furnished must be re-
placed, it must be replaced with Type 90 C
wire or its equivalent.
2. Three-phase motors are protected under pri-
mary single phasing conditions.
3. Thermostat: HH07AT170, 172, 174 and
P272-2783
Subbase: HH93AZ176, 178 and P272-
1882, 1883
4. Set heat anticipator for first stage at 0.14 amp,
second stage at 0.2 amp.
5. Use copper conductors only.
6. TRAN is wired for 230 v unit. If unit is to be run
with 208 v power supply, disconnect BLK wire
from 230 v tap (RED) and connect to 200 v tap
(BLU). Insulate end of 230 v tap.
7. When ECON assembly is installed move GRA
wire from connection board (Y1) to GRA wire
from PL6,5. Move ORN wire from connection
board (Y2) to ORN wire from PL6,9 on ECON
assembly.
60

Related product manuals