EasyManua.ls Logo

Buehler SimpliMet 3000 - Technical Drawings and Parts List

Buehler SimpliMet 3000
45 pages
Print Icon
To Next Page IconTo Next Page
To Next Page IconTo Next Page
To Previous Page IconTo Previous Page
To Previous Page IconTo Previous Page
Loading...
SimpliMet™ 3000 Drawings
29
MA201435_13.1 [Original Instructions] 6/25/2012
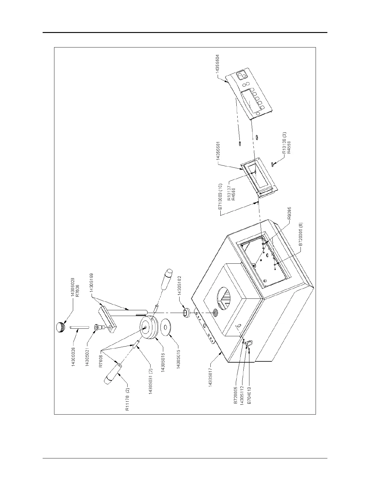
Figure 19 SimpliMet 3000 Upper Assembly Diagram (1435900B)