EasyManua.ls Logo

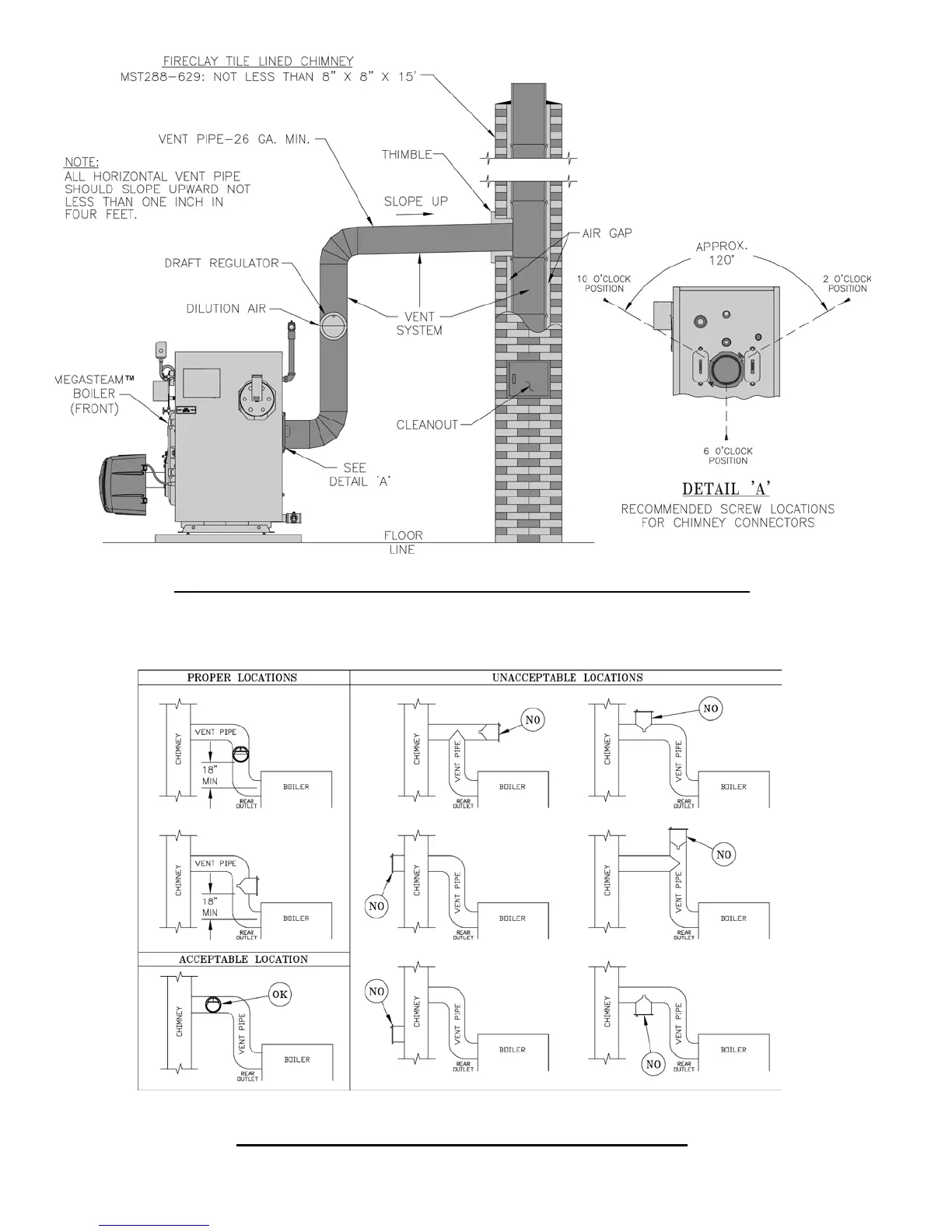
Burnham MEGASTEAM MST513 - Recommended Vent Pipe Arrangement and Chimney Requirements; Proper and Improper Locations of Draft Regulator

Burnham MEGASTEAM MST513
68 pages
Print Icon
To Next Page IconTo Next Page
To Next Page IconTo Next Page
To Previous Page IconTo Previous Page
To Previous Page IconTo Previous Page
Loading...
30
Figure 15: Recommended Vent Pipe Arrangement and Chimney Requirements
Figure 16: Proper and Improper Locations of Draft Regulator

Table of Contents

Related product manuals