EasyManua.ls Logo

BURNiT Lambda series - Page 13

BURNiT Lambda series
36 pages
Print Icon
To Next Page IconTo Next Page
To Next Page IconTo Next Page
To Previous Page IconTo Previous Page
To Previous Page IconTo Previous Page
Loading...
13
TECHNICAL PASSPORT. INSTALLATION and OPERATION MANUAL
TECHNICAL PASSPORT. INSTALLATION and OPERATION MANUAL
65 С
о
T1
T
2
T
B
TEG
P
BB
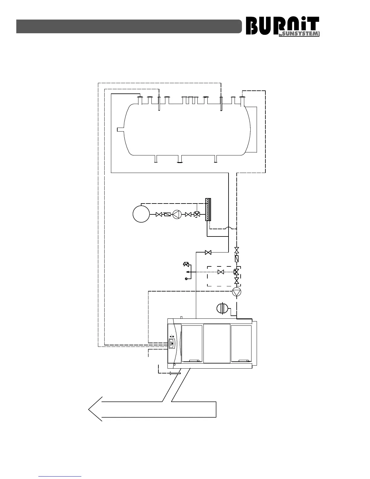
Diagram 7.
Connecon of PyroBurn Lambda boiler to P type buer tank and three-way valve
/* An extra thermostat reads the temperature inside the buer tank and upon reaching the set
temperature switches on or o the central heang circuit pump./

Related product manuals