EasyManua.ls Logo

Canon MVX200i E - Page 131

Canon MVX200i E
259 pages
Print Icon
To Next Page IconTo Next Page
To Next Page IconTo Next Page
To Previous Page IconTo Previous Page
To Previous Page IconTo Previous Page
Loading...
MVX250i E, MVX200i E, MVX200 E
DISASSEMBLING
28
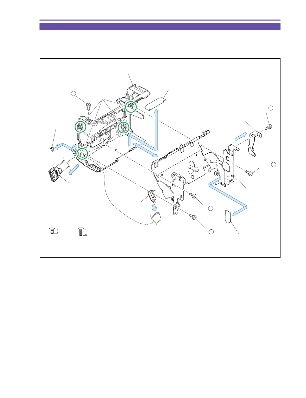
1-20 Disassembly of Left Cover Unit - 3
(1) Remove four screws (d × 1, t × 3), and detach the Cassette Arm Ass’y, Grip Hook Pin, and Grip Hook.
(2) Remove one screw (d × 1), and detach the Click Spring.
(3) Detach the GND Tape1, 2 and the Cassette Arm Sheet.
3mm
Metal
M1.7
d
Black
M1.7
(self tap)
4.5mm
t
Left Cover
(2)
(1)
(3)
(3)
(1)
(1)
(3)
Click Spring
Cassette Arm Ass'y
Cassette Arm Sheet
GND Tape 1
GND Tape 2
Grip Hook
Grip Hook Pin
Dowel A
(1) - d
(2) - d
(1) - t
(1) - t
(1) - t
Fig. 25

Table of Contents

Related product manuals