EasyManua.ls Logo

Carrier 38VMA Series - Page 20

Carrier 38VMA Series
112 pages
To Next Page IconTo Next Page
To Next Page IconTo Next Page
To Previous Page IconTo Previous Page
To Previous Page IconTo Previous Page
Loading...
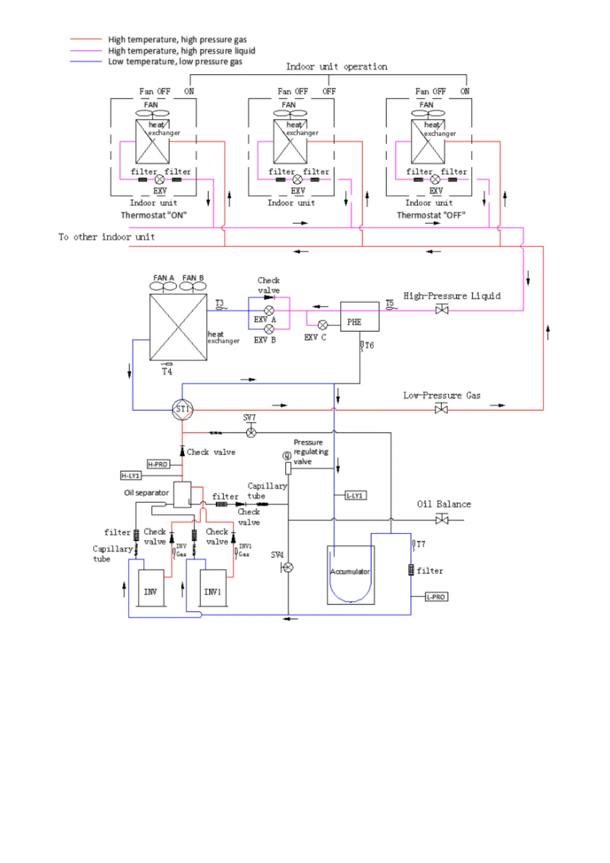
Figure 28 - Heating Operation
20

Table of Contents

Related product manuals