EasyManua.ls Logo

Carrier 38VMA Series - Refrigerant Flow for each Operational Mode; 38 Vma072, 096, 120 Hds

Carrier 38VMA Series
112 pages
To Next Page IconTo Next Page
To Next Page IconTo Next Page
To Previous Page IconTo Previous Page
To Previous Page IconTo Previous Page
Loading...
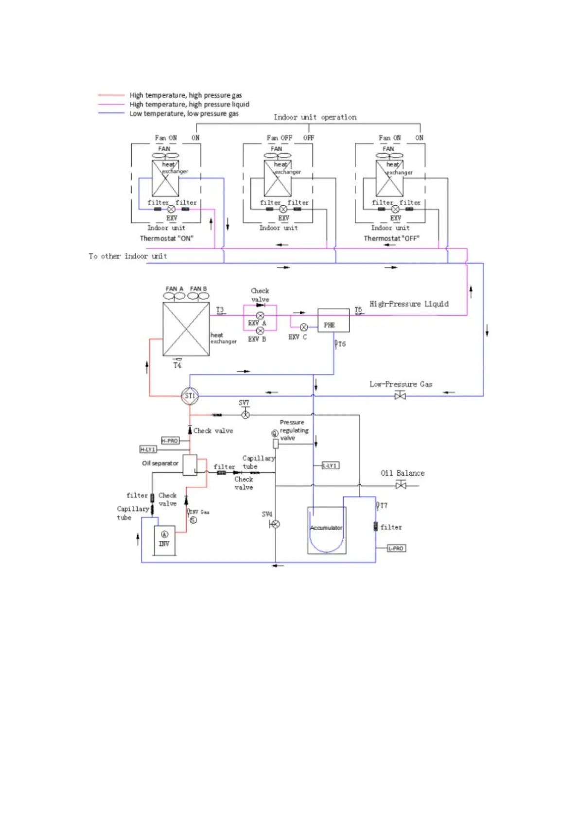
3. Refrigerant Flow for Each Operational Mode
a. 38VMA072, 096, 120HDS
Figure 21 Cooling Operation
13

Table of Contents

Related product manuals