EasyManua.ls Logo

Carrier 38VMA Series - Refrigerant Circuit; Refrigerant Circuit Diagram

Carrier 38VMA Series
112 pages
To Next Page IconTo Next Page
To Next Page IconTo Next Page
To Previous Page IconTo Previous Page
To Previous Page IconTo Previous Page
Loading...
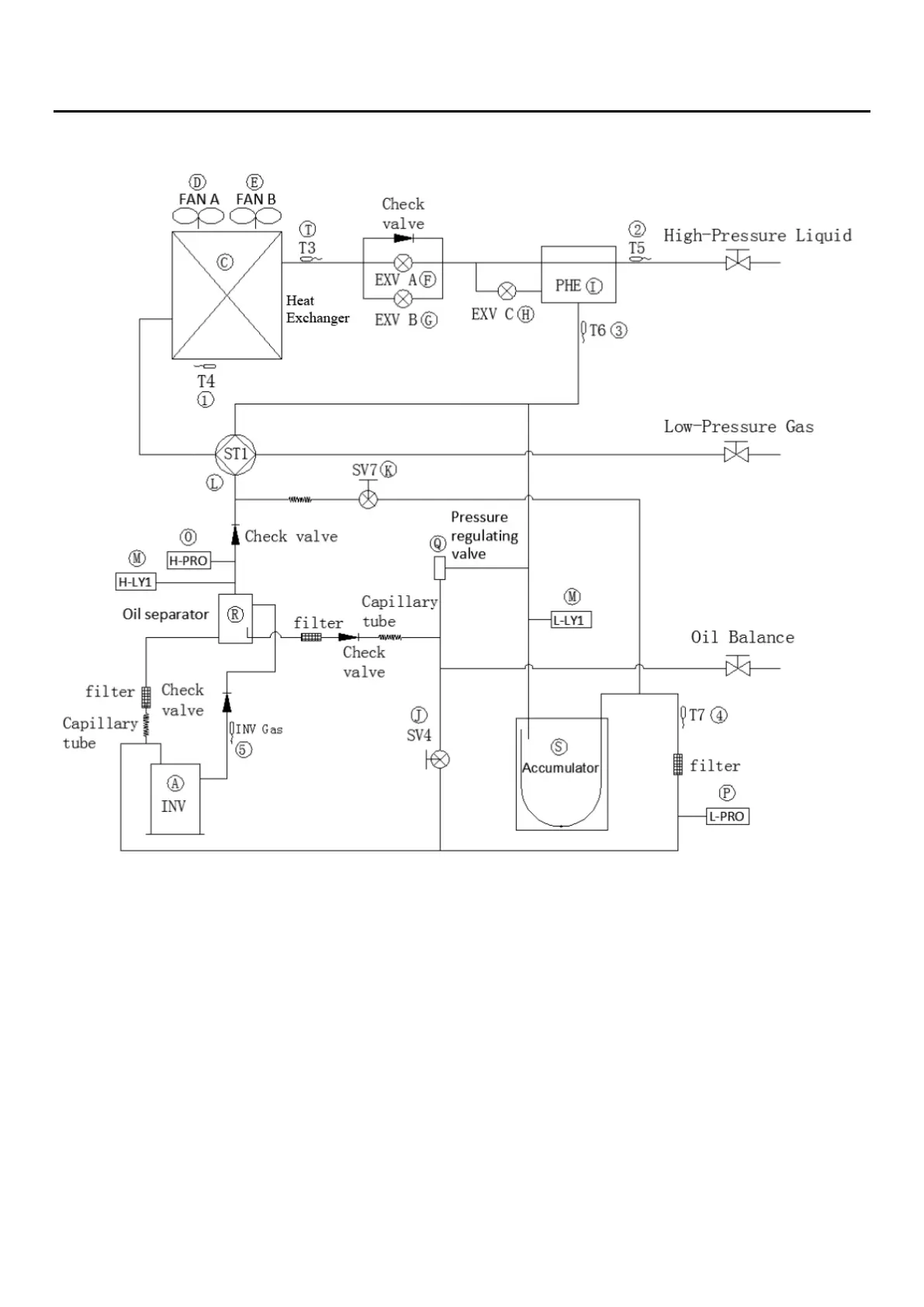
II. Refrigerant Circuit
1. Refrigerant Circuit Diagram
Figure 17 - 38VMA072, 096, 120HDS
8

Table of Contents

Related product manuals