EasyManua.ls Logo

CARVIN SL - Page 30

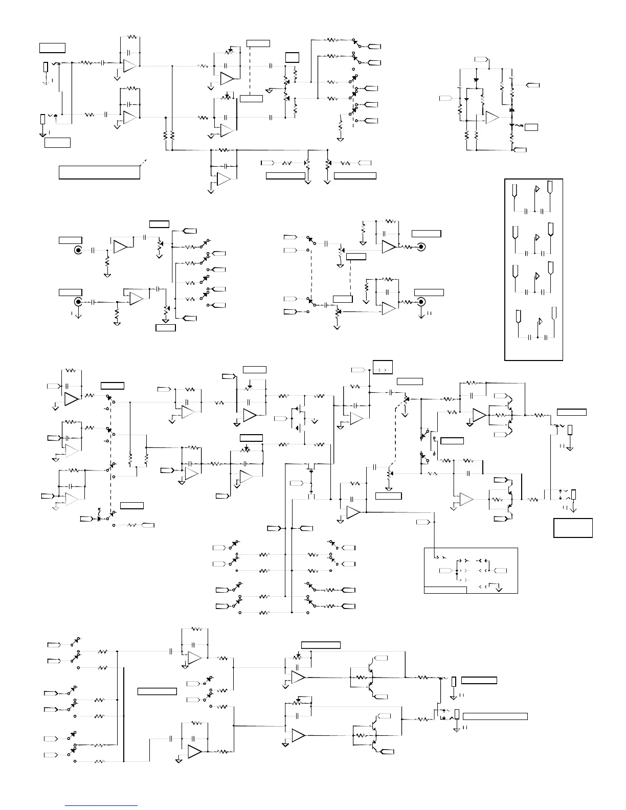
CARVIN SL
40 pages
Print Icon
To Next Page IconTo Next Page
To Next Page IconTo Next Page
To Previous Page IconTo Previous Page
To Previous Page IconTo Previous Page
Loading...
STUDIO OUT R ( PHONES )
CNTRL OUT R
STUDIO OUT LEVEL
CTRL.RM-STUDIO
CNTRL LEVEL
CNTRL LEVEL
CNTRL OUT L
10K x6 Comm
10K x6 Comm
STUDIO LEFT
TAPE OUT R
SOLO LEVEL
SOLO LEVEL
TAPE OUT L
TAPE IN R
AUX 8 OUT
AUX 7 OUT
RIGHT OUT
RTN LEVEL
RTN LEVEL
AUX SND 1
AUX SND 2
AUX 8 OUT
AUX 7 OUT
RIGHT OUT
PFL CNTRL
AUX SND 2
AUX SND 1
TAPE IN L
PFL CNTRL
RIGHT OUT
TAPE OUT
TAPE OUT
LEFT OUT
LEFT OUT
PFL MODE
PFL MODE
LEFT OUT
TAPE IN
TAPE IN
RTN 1 L
RTN 1 R
CNTRL L
CNTRL R
CNTRL L
CNTRL R
RIGHT G
RIGHT G
AUX 8 P
AUX 7 P
-18VDC IN+18VDC IN
TAPE L
TAPE R
+18VDC
B50Kx2
LEFT G
LEFT G
-18VDC
+18VDC
-18VDC
SOLO L
SOLO R
.001µ F
-18VDC
-18VDC
+18VDC
-18VDC
+18VDC
TAPE L
TAPE R
-18VDC
+18VDC
-18VDC
+18VDC
+18VDC
-18VDC
+18VDC
-18VDC
+18VDC
-18VDC
A52.B
A52.A
P29.A
P29.B
J43.C
A45.A
P30.A
P30.B
J43.A
P19.A
P19.B
A57.B
A20.B
A20.A
P20.A
P20.B
A44.A
A44.B
RETURN TO AUX SND 2
P31.A
P31.B
50KX2
P18.B
50KX2
P18.A
S50.A
S49.A
S49.B
LIS L LIS R
S50.D
S48.B
S10.A
S41.A
S41.B
A45.B
S19.B
S29.A
S19.A
S29.B
S51.B
S45.BS46.B
S47.B
S52.B
S53.B
S54.B
S51.A
S52.A
S53.A
S54.A
S45.AS46.A
S47.A
P35.A
P35.B
S10.C
S10.D
PFL L
H20.B
H20.A
A19.A
A99.A
A19.B
A54.B
R97.F
R98.F
R97.E
R98.E
R97.A
R98.A
R16.F
R17.F
R16.A
R17.A
R16.C
R17.B
S48.A
J43.B
J43.D
A56.A
A56.B
S50.B
A58.A
A58.B
PFL R
PFL L
A99.B
A GND
.047u
A57.A
PFL R
S50.C
INV L
INV R
H20.C H20.F
H20.D
H20.E
H20.G
H20.H
SND2
SND1
SND2
SND1
PFL+
PFL+
C137
C138
C126
C127
R222
R223
C128
C129
A2.A
A5.A
A2.B
A5.B
C132
C133
R100
R218
R339
RETURN TO AUX SND 1
C116
C118
C119
C120
R250 R251
R248R247
R264
R265
R249
4.7K
M O N O
S9.A
S9.B
5.6K
5.6K
R202
R201
R212
R213
100K
R227
C157
C158
R326
R338
R352
C159
R369
C166
R111
C172
22µ F
C173
22µ F
R396
C179
R397
C180
R103
R104
R268
R405
R406
R407
R408
R400
C182
R409
C183
R410
R411
PFL+
R315
4.7K
360k
R269
R270
R312
R313
R314
C194
C195
100k
470
C196
R404
A9.B
A9.A
R192
R209
R235
R236
100K
C114
22µ F
C115
22µ F
C131
22µ F
C134
22µ F
C135
22µ F
C136
22µ F
C174
C175
R32
10K
50K
50K
R52
R33 22K
R34 22K
39P
50K
50K
39P
39P
39P
C12
R15
50K
39P
C13
R42
50K
39P
C18
R43
R44
10K
R27
10K
R29
39P
C20
C44
C45
47
47
50K
50K
R99
22K22K
10K
39P
50K
10K
39P
50K
50K
10K
50K
10K
P36 P37
22K
22K
J10
J40
39P
C36
39P
C37
D40
R30
Q11
Q12
Q13
Q14
PA N
22K
22K
22K
39P
10K
12K
R60
PFL
39P
10K
22K
22K
39P
10K
12K
39P
47K
10K
R64
10K
39P
10K
39P
10K
10K
10K
10K
10K
10K
39P
10K
39P
10K
10K
47K
D42
D43
D45
D39
PFL
10
R79
39P
10K
10K
R26
10K
R28
470
470
22K
22K
10K
10K
47
47
R25
R19
Q10
Q15
Q16
10K
10K
39P
C19
39P
C24
J25
10K
R23
10K
R24
R31
R41
J45
R56
J26
Q17
Q18
Q19
Q20
R58
R72
47K
47K
47
47
R40
47K
22K
10K
10K
C71
C81
J9
cw
cw
10
10
cw
cw
10
10
C8
cw
cw
10
10
cw
cw
10
10
10
10
cw
cw
cw
cw
cw
cw
R6
R7
cw
cw
R1
R3
Q9
1K
1K
1K
1K
10
10
10
10
+
+
+
+
+
+
+
+
+
+
+
+
+
+
+
+
+
+
+
+
+
+
+
+
+
+
+
+
+
+
+
+
+
+
+
+
+
++
+
+
+
+
+
+
+
+
+
+
+
+
+
+
+
++
++
++
+
+
+
+
TO METER
TO METER
TO METER BRIDGE
( PHONES )
RETURNS 1 - 4 ARE IDENTICAL
30

Related product manuals