EasyManua.ls Logo

Cessna R182 - Page 110

Cessna R182
178 pages
Print Icon
To Next Page IconTo Next Page
To Next Page IconTo Next Page
To Previous Page IconTo Previous Page
To Previous Page IconTo Previous Page
Loading...
a)
=
-
e
***
ernoo
6\06\ar<)c)h€rooNhoctsFoo
.
I
a
a .
a
a
t
.
a t a ara a
a a a a a
a a
m€ €|il
\I)N(\r\trtu\Fd€Nit
€FOmlooor
Nl
l6
lddlaacil$firf\t\tfi
'
lddr
I I
| | |
|
|
| | |
rt
I I
l*
60
F@
!ntn
)*
OONNNN
r^hl
|
| |
@
att
F
-
3^-oor-oo,or.-.o-c, o$5-ofi
--- *
.. a i.a
i
t:a,
a
a
.
a
.
I
.
a
.
a
a
I
a
.
a .
o
r
ln
@
NdN
f!o
oFld
((l
(n
6
fr1 RI-
\t N
o o
codddln
m
5!
l
F€mNNdd(n(oc)N
,a
|
|.
tt
I
a.
a
a
F\fFO-rn(OorNrnr
<9
=
=
E
cl
u
E
-€
6,
1
oo
<l
oN=
ol
ozu
g\ic
N€>
NOF
dN
NFo\
Nd
oo
ooo oc)
oi_-J
...--,
O
rd
Oo
Ooo
dddNoo
,l
I l.l
I I
|
|
lrl
I
os,
66d-(noi:r6.ood
ro<oc
oorntvrlJ\(:0+
o
6l'r
c)n
o
o
oo.o
o
o9ttr
ol
{.J
J.a'..
dctCrNO\Crd@
€.
OEd:\OOr\OtinhnnOrr€| O
N<l ONidNFFFF\t\ON
(JL)a()(J
uN i
cdo
L)(Jf\t
o\
N(tid*orn
d
Hoc)o(f
o+ o
o4ddNNoN
d
I
o6oc)odd
o
(Dt
I
I tf | | |
.Of\AONA,hO€
(tr
JOONd,t.qnrn
N
c)oooc).tdi c)
6dINNfi6dJ
N
OiO€Oo$+
{)
d\C}NN-d(\N
N
uo(J(.)rJ(J-d
L)
z,
o
o-
G
c)
ct)
lrl
o
ct)
=
lrl
=
CL
Q
lJ.l
UIFJ
6
z.o=
q>>.fv
<
UJ
ul
L)
JO.
x6<
uJ
f
|
qzJ
!Z
<.O
o<to
<
LJ
'J
lr o
u\uJO
€).E.o
>u
vl
x
II
-rUF
-<
.O
dJ>J<
>
>o
I t@tJa
vruq
.
q
vtdvre
!
<
>
<H <r
F, O
UJoq.
t!
J
rn
d.ql
g(dluLlur<
H<{,
.ts
rudro,
F
FJJ,--U
J
-
U3FFy
tSrlJt!U
stu
JL d J4--
13
(D
U3>F
UJ l,!
Lr
c,
u.,t
z
z
t!
d
(]
U
(J
qJ
4
t!
z
z
J
$
N
N('
z
OJ
o,t
-J
G'N
1D\
trn
II
^O
Og\
oNtd
(h
UJ
&
e
u
o
I
qJ
t-
z
J
d
t
u
t
C
ZL
t-
q
\OUr
UJfdJ
l-
$
J
OUJ)
::z Cl NUUJ
u
ln6(J=e,Jc
Ouuf
m/)IN
d.
.n<d
d.
1J(J
(:
co
o
C!(JCL
O
tf@
u
d.O
N(-'
06-
uo
(,
r
co=-
u uJ
\IEJFJ
Z <; vvZ
Z
.>
nHuHr!HFd.O)J
I ->JH
F
eJ
>UH
(3
C, cC]l
Z Ca
UJF
.Z
r)>
O<F@
J
F>
JJ<
>U
I
(rFE4Ou-UJqdfz
ZU
u
:E e@ <cJ.
<-c(9
-
-?
uO
:)N
Lrc'<>
.
f=< .<
E(9do-(,6-J
ro
L)cF4>c)uJ(:)
.d
O<C
:)E<
a
f'
td@<vr<Fd
r}o
'JtF
J>(J
<,dd.d.
Z
<uo
Z.>
> u.Jc(o_co
{r)OUJrIJd
-!d
I>=.eOY
JXEU
L
FJFUd:
UU)CO]H
L)
H=FYJ<
-<ICJJOaZ=J
fF(JH
DO@&euZ
eZ']H
)ZgZGf=(J()Z)
Z
Z
d
<
<l>>
w
EOLU
eZ/OO=t<:rH
3
HU<FCBCJ
FU
cuzd
2>@Z
A@e)v)u,
JFJJrf,>H/)
(J xJ
z
H.JEFdOC
u
l!<c)c)6,(.9(/)
o
=
-
g
F
dd6ttrdCd
,rllltl
U\
O\
FC!(nFd
e|()JNanfn\t
I
I
I
.f
co
6th<d
I
rt r
do(r)d
OFFO
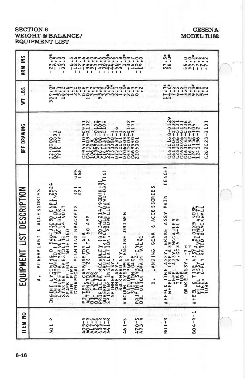
SECTION;O
CESSNA
UITIGHT
& BAIIANCE/
MODET
R182
EQUIPMENT
LIST
6-16

Table of Contents

Related product manuals