EasyManua.ls Logo

ChargePoint Express 280 - Page 35

ChargePoint Express 280
41 pages
Print Icon
To Next Page IconTo Next Page
To Next Page IconTo Next Page
To Previous Page IconTo Previous Page
To Previous Page IconTo Previous Page
Loading...
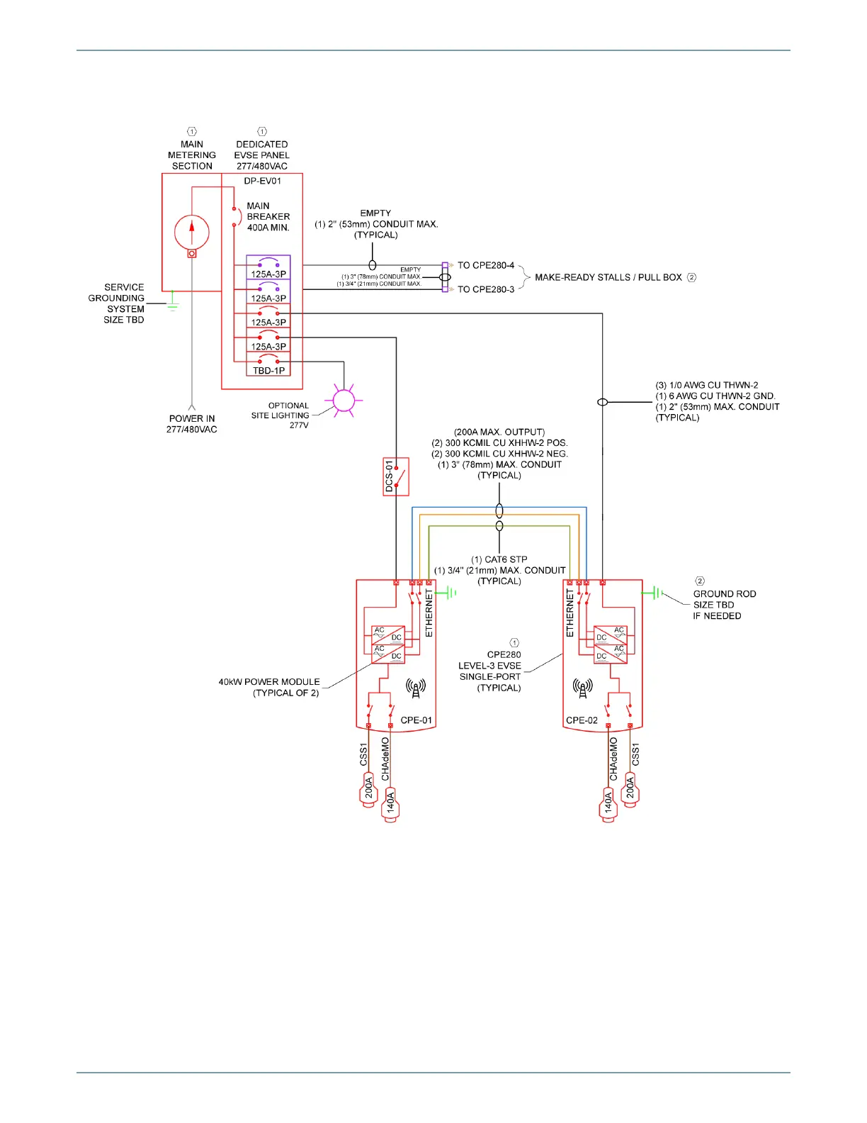
Typical Single Line Diagram
27

Related product manuals