EasyManua.ls Logo

CIRCLE M7 - Informtion for Components & System; System Wiring Diagram

CIRCLE M7
60 pages
Print Icon
To Next Page IconTo Next Page
To Next Page IconTo Next Page
To Previous Page IconTo Previous Page
To Previous Page IconTo Previous Page
Loading...
Document: Service Manual
Description: Treadmill
Model: M7 LED
Page: 4 of 60
4
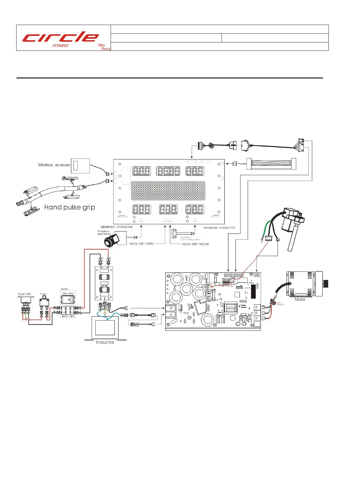
1. INFORMTION FOR COMPONENTS & SYSTEM
1.1 System wiring diagram