EasyManua.ls Logo

CKD SHD3025 - System Diagram

Default Icon
27 pages
Print Icon
To Next Page IconTo Next Page
To Next Page IconTo Next Page
To Previous Page IconTo Previous Page
To Previous Page IconTo Previous Page
Loading...
<SM-13024-A>
21
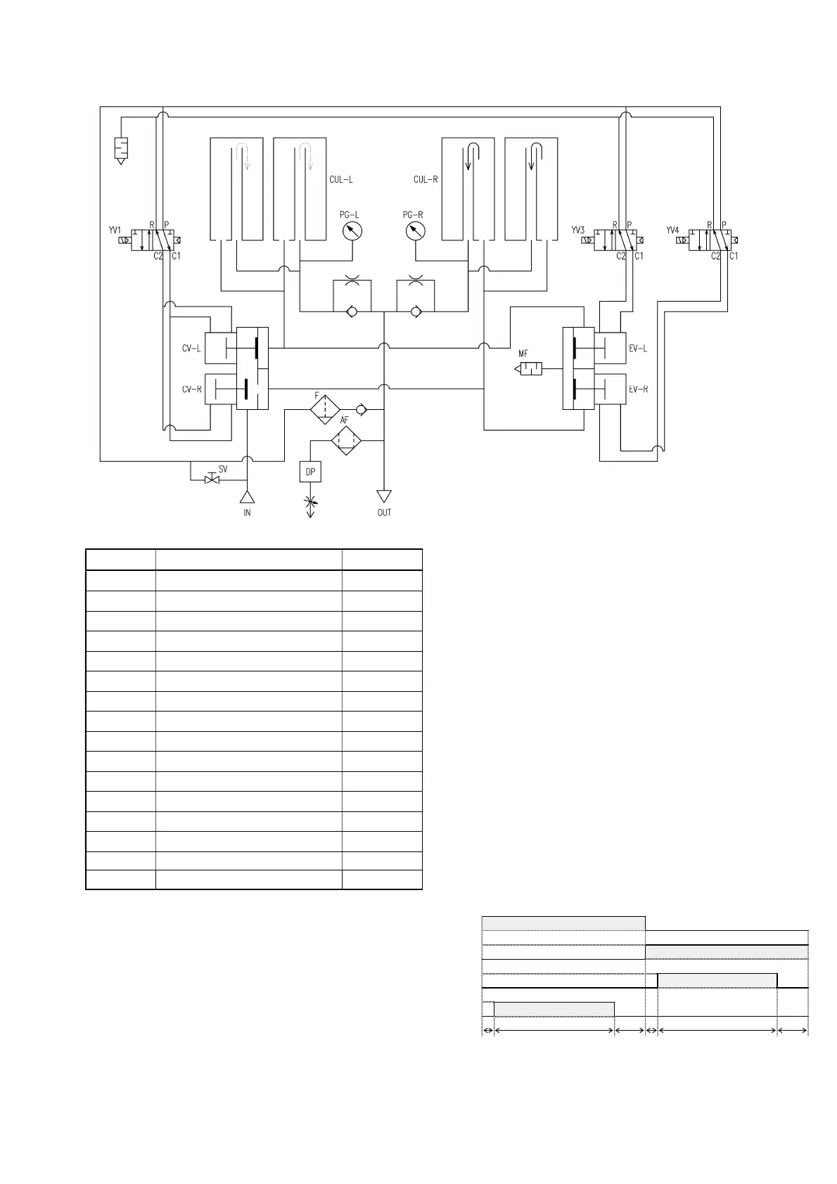
8-4Systemdiagram
Model Partsname Numbers
CV-R Airactivationvalve(Right) 1
CV-L Airactivationvalve(Left) 1
EV-R Exhaustvalve(Right) 1
EV-L Exhaustvalve(Left) 1
YV1 Solenoidvalve
YV3 Solenoidvalve
YV4 Solenoidvalve
CUL-R Desiccantvessel(Right) 1
CUL-L Desiccantvessel(Left) 1
MF Silencer 1
AF Microalescer 1
DP Dew-pointsensor 1
PG-R Pressuregauge(Right) 1
PG-L Pressuregauge(Left) 1
SV Manualvalve 1
F Filter 1
Timechartdrawing
Normalprocessisshowninthefollowing.
Thestate(C,F)afterdesorptioniscompletedis
heldatthetimeofenergysavingIfsubsequentdew
pointbecomes bad, change willberesumed andit
willreturntonormalprocess.
B、Eisdesorption(regeneration)time
C,Fshowspressurerisingtime.
ThedampcompressedairwhichenteredfromIN
goesintodesiccantvesselCUL-LthroughValve
CV-R.Thedampcompressedairflowstheinside
of the desiccant equally, with the desiccant, it
adsorbsthesteamincompressed air, turns into
super-dryair,and comes outofOUT through a
check valve. A part of super-dry air
decompressed through the orifice goes into
desiccant vessel CUL-R, and it is used for
reproductiondrynessofthedesiccantofCUL-R,
and is emitted to the atmosphere. A part of air
whichcameoutofOUTisled to thedewpoint
sensorDP,anddewpointmeasurementiscarried
out. It goes into the energy-saving mode which
switchesbythedewpointandextendstime.
(D
esorptionprocessisended,andafterthat,both
vessels are held in pressure rising state and
carryoutchangetimeextension.
)
吸着R
吸着L
脱着R
脱着L
1 100 19 1 100 19
(A
B C
D
(E F
AbsorptionR
AbsorptionL
DesorptionL
DesorptionR
1sec
(A)
100sec
(B)
19sec
(C)
1sec
(D)
100sec
(E)
19sec
(E)
Orifice
Checkvalve

Related product manuals