EasyManua.ls Logo

CKD SHD3025 - Page 25

Default Icon
27 pages
Print Icon
To Next Page IconTo Next Page
To Next Page IconTo Next Page
To Previous Page IconTo Previous Page
To Previous Page IconTo Previous Page
Loading...
<SM-13024-A>
23
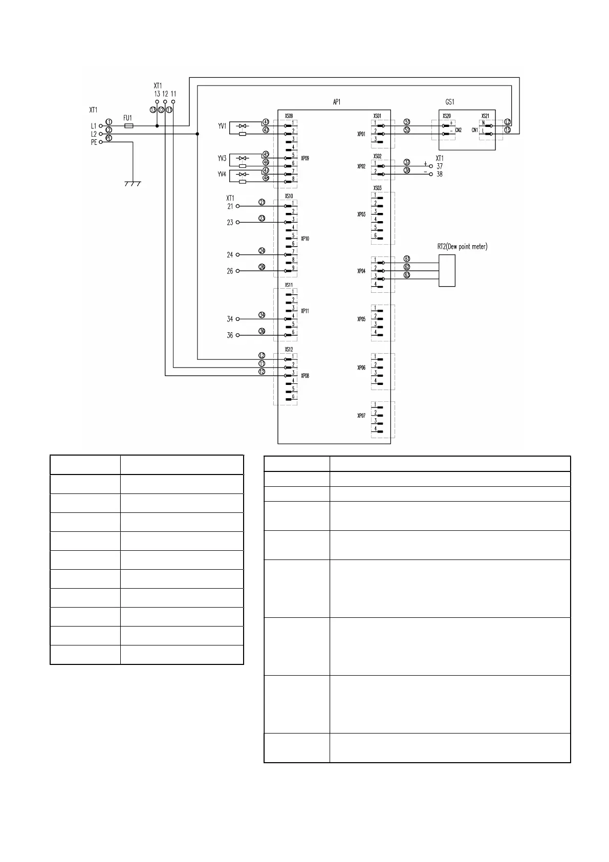
2)M-type
Model Partslist
GS1 Powersupply
RT2 Dewpointmeter
AP1 Mainboard
YV1 Solenoidvalve
YV3 Solenoidvalve
YV4 Solenoidvalve
XT1 Terminalblock
FU1 Fuse
XS01,03,20 Connector
XS08〜11,21 Connector
Terminalmark Contents
L1,L2 Powersupply:single-phaseAC100V/200V,50/60Hz
PE Ground
11,13 Remoteoperationsignalinputatapowervoltageof100V
Non-voltagecontactinput(closedduringoperation)
12,13 Remoteoperationsignalinputatapowervoltageof200V
Non-voltagecontactinput(closedduringoperation)
21,23 Operation signal output non-voltage contact output(closedduring
operation)
Contactcapacity: 220VAC0.5A, 28VDC1A
Minimumapplicationload:DC5V100mA
24,26 Dew-pointerrorsignaloutput,non-voltagecontactoutput(openedif
erroroccurs.)
Contactcapacity: 220VAC0.5A, 28VDC1A
Minimumapplicationload:DC5V100mA
34,36 Sensor error signal output, non-voltage contact output (opened if
erroroccurs.)
Contactcapacity: 220VAC0.5A , 28VDC1A
Minimumapplicationload:DC5V100mA
37,38 Dewpointoutput,Analogoutput:0〜5V
Dewpoint:-80〜+20℃

Related product manuals