EasyManua.ls Logo

Clarke TIGER 2600A - EXPLODED DIAGRAM + PARTS LIST

Clarke TIGER 2600A
28 pages
Print Icon
To Next Page IconTo Next Page
To Next Page IconTo Next Page
To Previous Page IconTo Previous Page
To Previous Page IconTo Previous Page
Loading...
24
Parts & Service: 020 8988 7400 / E-mail: Parts@clarkeinternational.com or Service@clarkeinternational.com
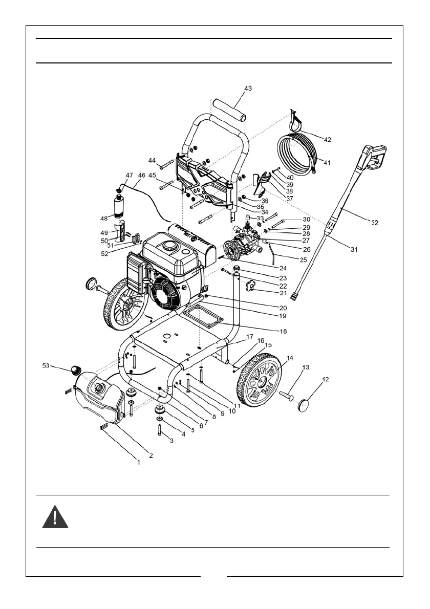
EXPLODED DIAGRAM + PARTS LIST
WARNING: TO ENSURE MACHINE SAFETY, USE ONLY ORIGINAL SPARE
PARTS FROM CLARKE INTERNATIONAL.

Related product manuals