EasyManua.ls Logo

CleaverBrooks ClearFire CFC-E - Page 7

CleaverBrooks ClearFire CFC-E
54 pages
Print Icon
To Next Page IconTo Next Page
To Next Page IconTo Next Page
To Previous Page IconTo Previous Page
To Previous Page IconTo Previous Page
Loading...
CFC-E Installation Manual
Part No. 750-459 1-3
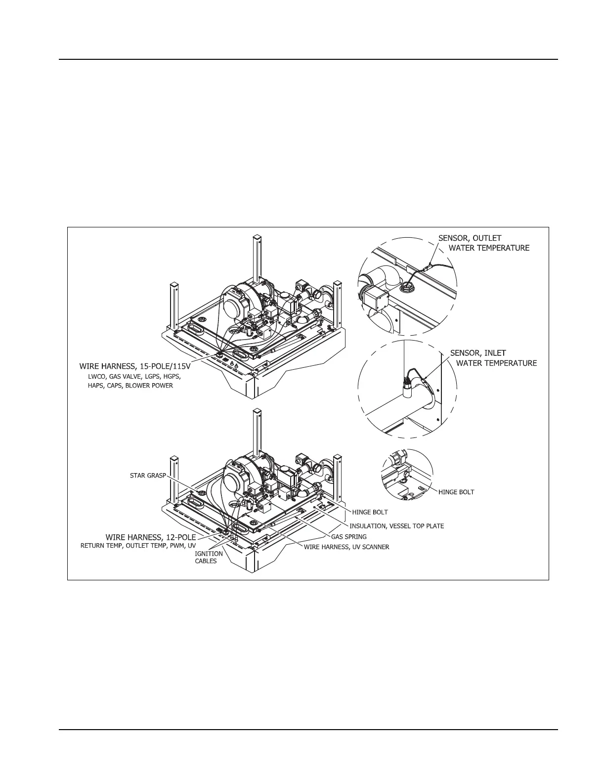
3.Remove 15-pole wire harness, 12-pole wire harness, and (2 each) ignition cables. Store cables in
safe location.
4.Remove (4 each) star grasps which are used to secure burner door to boiler.
5.With burner door propped open, disconnect and remove (2 each) gas springs.
6.Carefully close burner door. Do not allow burner door to slam shut. Insulating brick is brittle and prone
to damage.
7.Remove (2 each) burner door hinge bolts.
8.Lift and remove burner door from boiler. Store in safe location. Handle burner door carefully so as not
to damage burner canister fabric.
9.Remove insulation from pressure vessel top plate to expose lift points as shown in Figure 1-4.
10.Once boiler has been properly set into place, burner and casing can be reinstalled.
11.Be sure to properly align burner door when reinstalling. Rope gasket indentation may be used as a
reference for alignment. Burner door hinge allows for adjustment.
Figure 1-3 Wire harnesses and burner components

Related product manuals