EasyManua.ls Logo

Computex FP-40 - About FP-40 Unique Signals; Note

Default Icon
29 pages
Print Icon
To Next Page IconTo Next Page
To Next Page IconTo Next Page
To Previous Page IconTo Previous Page
To Previous Page IconTo Previous Page
Loading...
Technical Information on On-board Flash Programmer FP-40 Aug. 31, 2023 (Second edition)
13
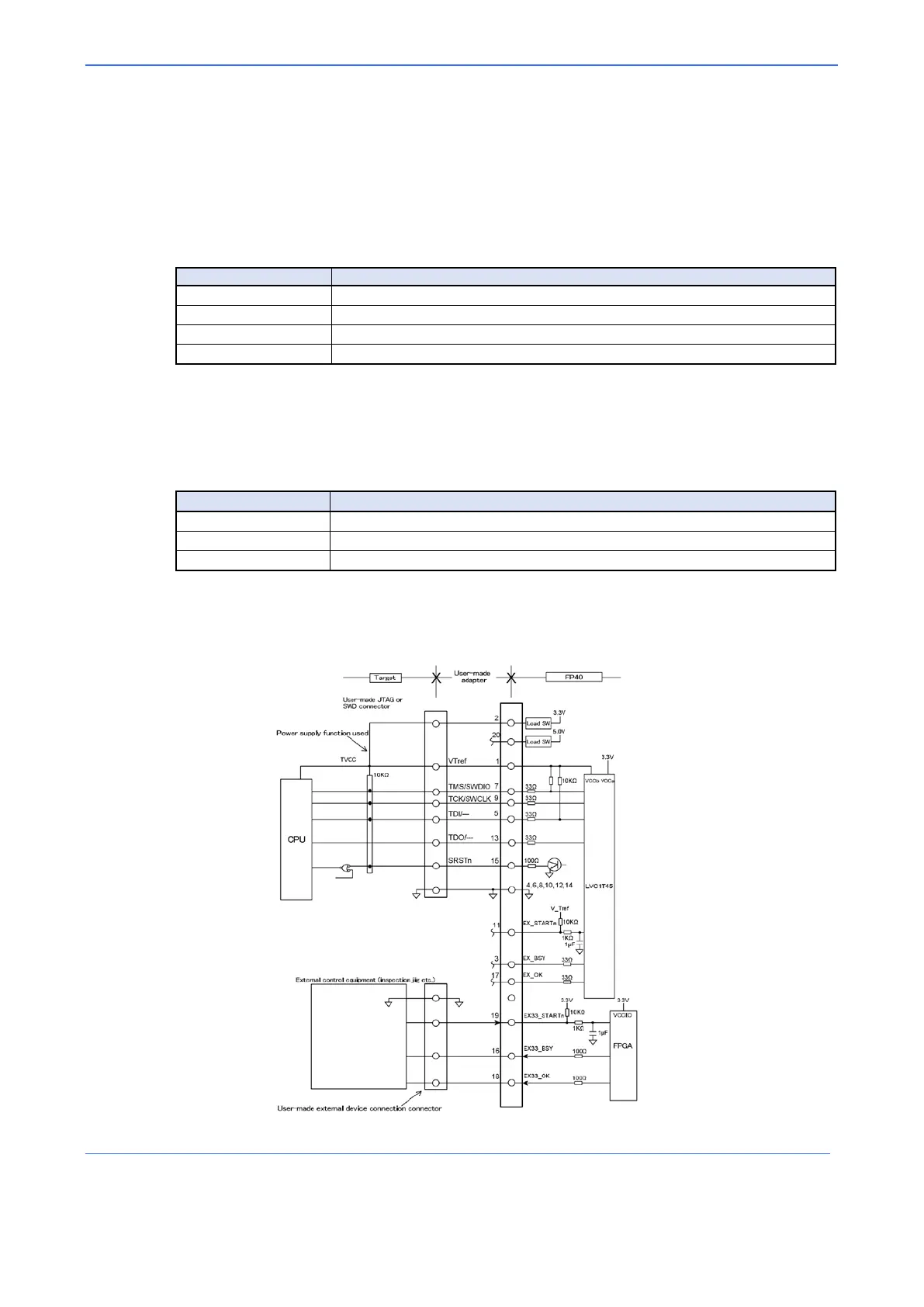
About FP-40 unique signals
FP-40 provides unique signals to operate FP-40 from external devices such as production systems and inspection tools.
(1) can be used only with SWD interface, and (2) can be used with either SWD or JTAG interface.
(1) External I/O signals operating at Vtref
Since these signals operate with the power supply voltage of Pin1 Vtref of the target connector, they cannot
be operated unless a voltage value is supplied to Vtref. Note that when using the power supply function
described in point (3), use EX3.3_I/F described in point (2).
Signal
Description
EX_STARTn
Requests to start writing with FP-40
EX_BSY
*1
Information being written is output from FP-40
EX_NG
*1
Write result information is output from FP-40
EX_OK
*1
Write result information is output from FP-40
*1: Level will be L if VTref is cut off.
(2) External I/O signals operating at 3.3 V inside FP-40
These are different from point (1) as these have a 3.3V dedicated I/F that uses FP-40's internal power
supply. Note that the signal corresponding to EX_NG that is in point (1) is not available. Note that the power
supply functions described in (1), (2), and (3) are independent of each other. They need not be used
simultaneously.
Signal
Description
EX33_BSY
*1
Information being written is output from FP-40
EX33_STARTn
Requests to start writing with FP-40
EX33_OK
*1
Write result information is output from FP-40
*1:Hi level is 3.3V.
(3) X3.3V, X5V for power supply
FP-40 has the ability to supply 3.3V or 5.0V power to the target system up to 200mA (simultaneous use of
3.3V and 5.0V power supplies is not possible.) An example using X3.3V power supply is shown below.
Note
FP-40 is only guarenteed to run with the dedicated cable that comes with it. Using a different cable type may lead
to unexpected results.
Keep the wire length between the JTAG connector and the CPU on the target system as short as possible.