EasyManua.ls Logo

Computex FP-40 - Connection Reference Diagram; Note

Default Icon
29 pages
Print Icon
To Next Page IconTo Next Page
To Next Page IconTo Next Page
To Previous Page IconTo Previous Page
To Previous Page IconTo Previous Page
Loading...
Technical Information on On-board Flash Programmer FP-40 Aug. 31, 2023 (Second edition)
20
X3.3V/X5V power supply
This can be used as the power supply from FP-40 to the target system. The two pins of the target connector are X3.3V
(3.3V) and the 20 pins are X5V (5V), both of which guarantee ±5% accuracy and can supply up to 200mA. The rise time
upon power-on is 2ms. 3.3V or 5V can be used depending on the C-Flash setting, but they can't be used simultaneously.
For details on the settings, refer to "4.3 Target Settings" in "Onboard Flash Memory Programmer FP User's Manual".
These power supplies are equipped with a protection circuit that cuts the power supply if an overcurrent is detected due
to a short circuit on the target. To confirm that power is normally supplied to the target, the voltage of VTref is measured
by software processing after power is supplied, and if the voltage of VTref is lower than the [minimum input voltage of
VTref (Pin 1)], the power output is stopped to protect FP-40 itself.
If these pins are not used, leave them as NC.
External I/O function signals of FP-40
Please refer to External I/O functions of FP-40for detailed specifications.
If the External I/O functions of FP-40 is not used, leave these signals as NC.
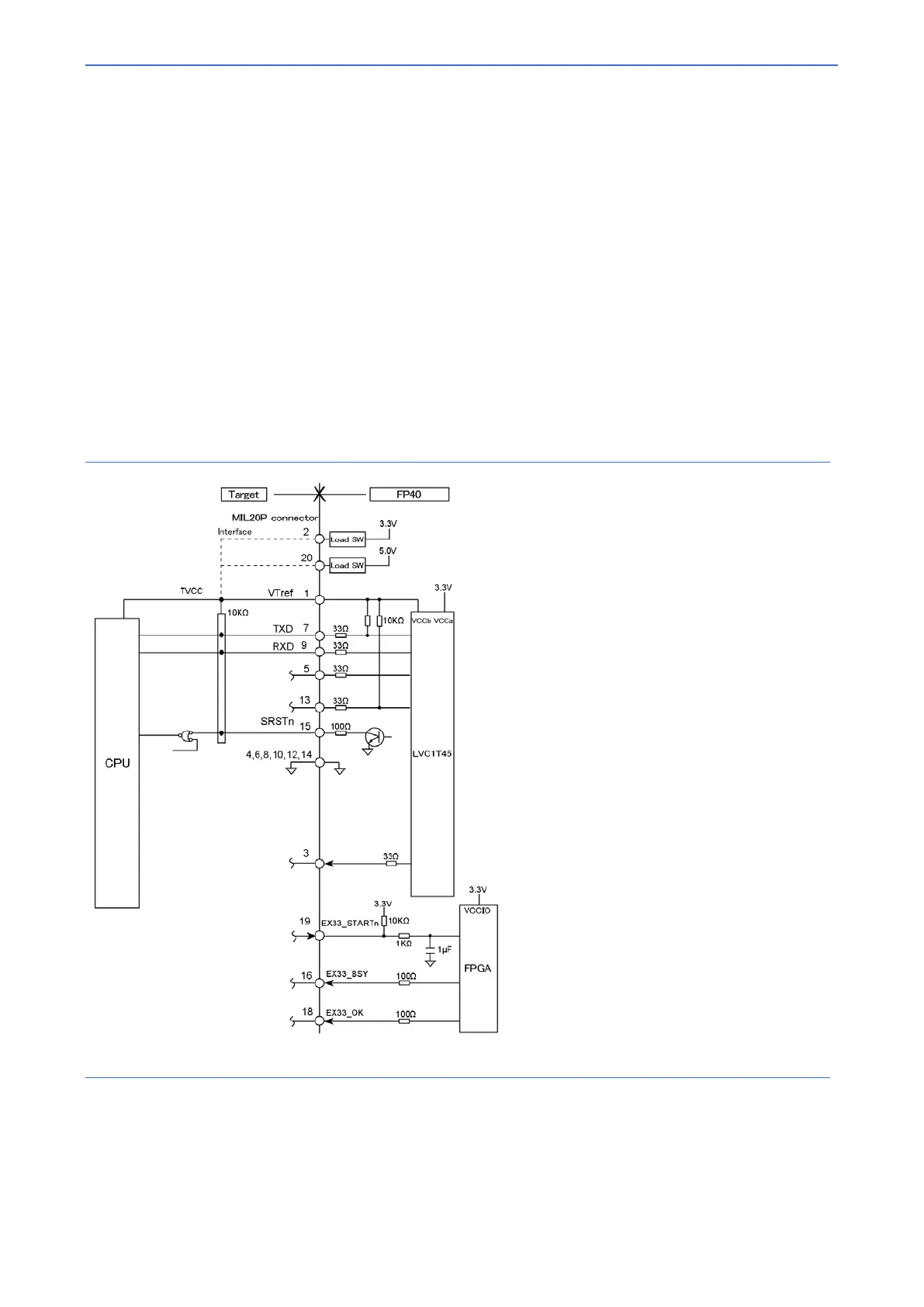
Connection reference diagram
Note
To prevent malfunction, the length of wirings from the CPU to the target connector should be kept as short as
possible.
If the waveform disturbance exceeds the device specifications, suppress the disturbance by inserting a damping
resistor into the signal line or use other means.