EasyManua.ls Logo

Computex FP-40 - Page 6

Default Icon
29 pages
Print Icon
To Next Page IconTo Next Page
To Next Page IconTo Next Page
To Previous Page IconTo Previous Page
To Previous Page IconTo Previous Page
Loading...
Technical Information on On-board Flash Programmer FP-40 Aug. 31, 2023 (Second edition)
5
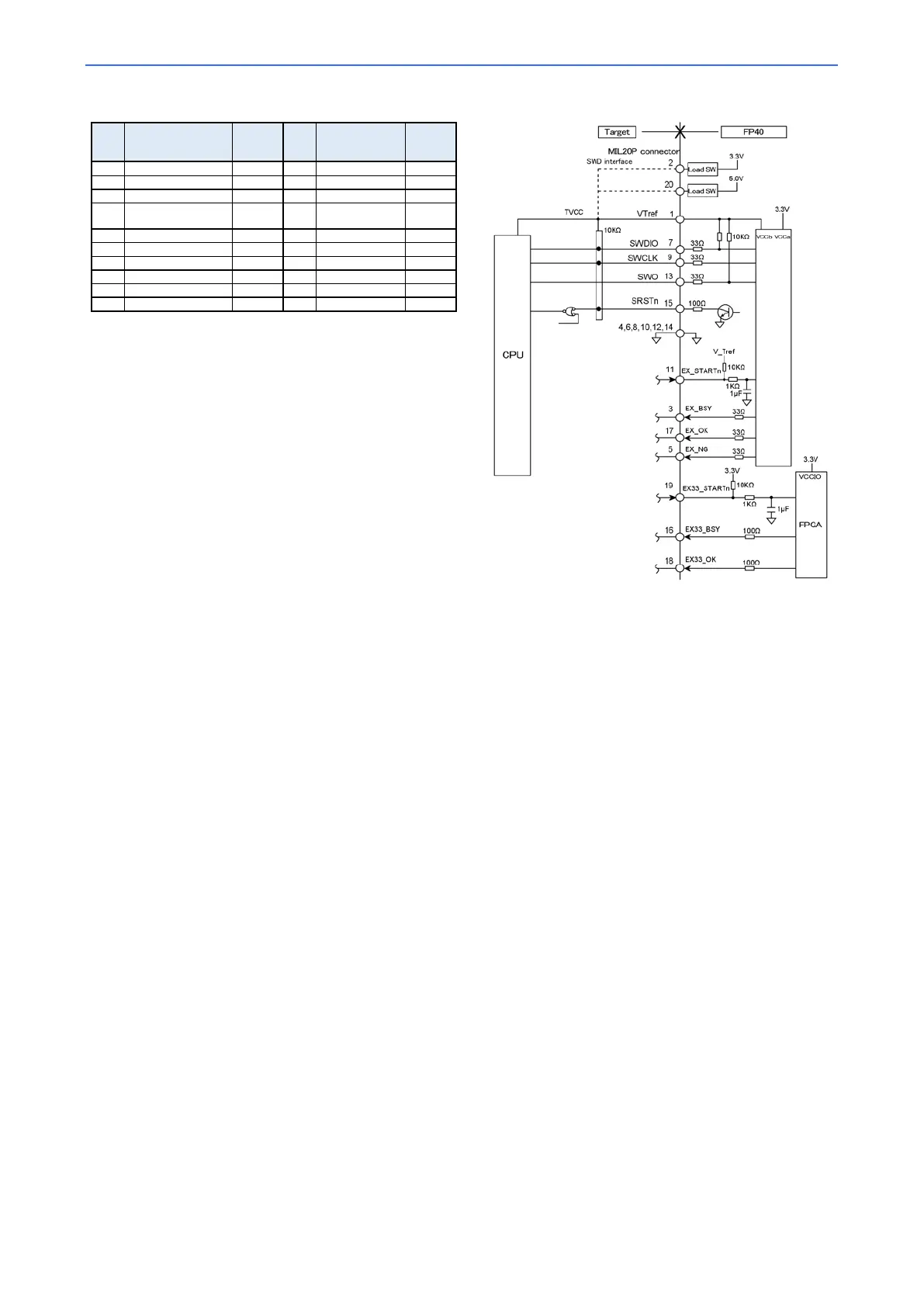
Signal table
Pin
No.
Signal
Input/
Output
*1
Pin
No.
Signal
Input/
Output
*1
1
VTref
Output
2
[X3.3V]
*5
Input
3
(EX_BSY)
*2
Input
4
GND
5
(EX_NG)
*2
Input
6
GND
7 SWDIO
Input/
Output
8 GND
9
SWCLK
Input
10
GND
11
(EX_STARTn)
*2
Output
12
GND
13
SWO
*3
Output
14
GND
15
SRSTn
Input
16
<EX33_BSY>
*4
Input
17
(EX_OK)
*2
Input
18
<EX33_OK>
*4
Input
19
<EX33_STARTn>
*4
Output
20
[X5V]
*5
Input
*1: Input/output is denoted for the target system.
*2: External input/output function signal that will be at VTref level when high.
This signal is not connected to the target (CPU).
*3: Unused. NC.
*4: 3.3V External input/output function signal. This signal is not connected to
the target (CPU).
*5: Power supply function signal.
Target connection reference diagram
To prevent malfunction, the length of wirings from the CPU to the target connector should be kept as short as possible.
If the waveform disturbance exceeds the device specifications, suppress the disturbance by inserting a damping resistor into the signal line or use
other means.