EasyManua.ls Logo

Computex FP-40 - Page 8

Default Icon
29 pages
Print Icon
To Next Page IconTo Next Page
To Next Page IconTo Next Page
To Previous Page IconTo Previous Page
To Previous Page IconTo Previous Page
Loading...
Technical Information on On-board Flash Programmer FP-40 Aug. 31, 2023 (Second edition)
7
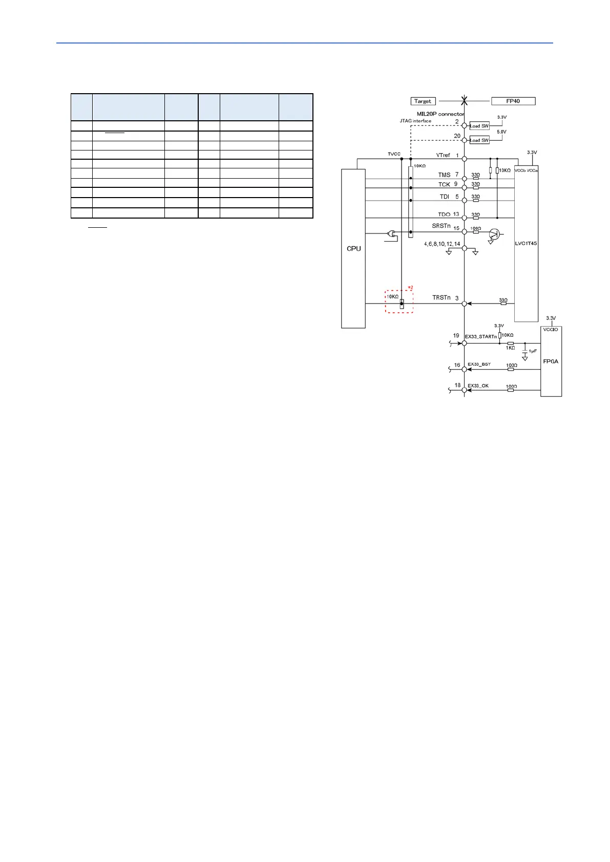
Signal table
Target connection reference diagram
Pin
No.
Signal
Input/
Output
*1
Pin
No.
Signal
Input/
Output
*1
1
VTref
Output
2
[X3.3V]
*4
Input
3
TRST (N.C.)
*2
Input
4
GND
5
TDI
Input
6
GND
7
TMS
Input
8
GND
9
TCK
Input
10
GND
11
N.C.
*2
Output
12
GND
13
TDO
Output
14
GND
15
SRSTn
Input
16
<EX33_BSY>
*3
Input
17
N.C.
*2
Input
18
<EX33_OK>
*3
Input
19
<EX33_STARTn>
*3
Output
20
[X5V]
*4
Input
*1: Input/output denoted is for the target system.
*2:
TRST TRST is not used with Cortex-M core CPUs. Leave as NC. For other
CPUs, please refer to the datasheet of the CPU to be connected.
Please note that CPUs that require connection may require the signals to
be pulled-down.
Note that some CPUs manufactured by Renesas Electronics require some
precautions. Refer to "ReferenceRZ/A and RZ/T series /SRST, /TRST
reference diagram" below.
*3: 3.3V External input/output function signal. This signal is not connected to
the target (CPU).
*4: Power supply function signal.
*5: Reserved for FP-40's own usage, leave as NC.
To prevent malfunction, the length of wirings from the CPU to the target connector should be kept as short as possible.
If the waveform disturbance exceeds the device specifications, suppress the disturbance by inserting a damping resistor into the signal line or use
other means.