EasyManua.ls Logo

Conti CC100 - SCHEMA HYDRAULIQUE

Conti CC100
36 pages
Print Icon
To Next Page IconTo Next Page
To Next Page IconTo Next Page
To Previous Page IconTo Previous Page
To Previous Page IconTo Previous Page
Loading...
Edition 04/2010 - CC100
NOTES TECHNIQUES - TECHNICAL DOCUMENTS - page 16
SACOME, Document CONFIDENTIEL,
Ne peut être reproduit ni communiqué sans notre accord préalable.
SACOME, CONFIDENTIAL Document,
it is forbidden to duplicate or communicate this document without previous authorization.
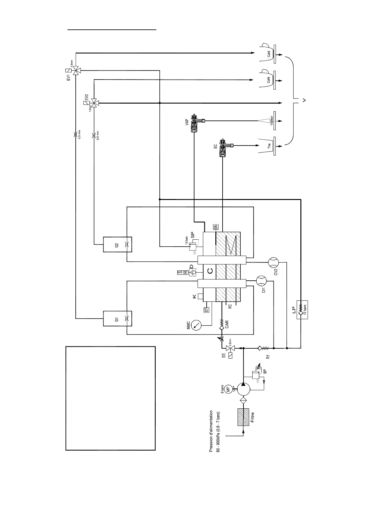
13. SCHEMA HYDRAULIQUE
SN Niveau eau chaude
EE Vanne alimentation d'eau
By Pass réglable
Sonde de température
Groupe café
Robinet vapeur
Vidange
VAP
BP
G
ST
V
Limiteur de pression 12 bars
Manomètre chaudière
Pompe volumétrique
Thermpoplongeur chaudière
Klixon
Clapet Anti-retour
Dépresseur
Soupape de sécurité chaudière 1,6 bars
Chaudière
Vanne café
Robinet thé
Volucompteur de dosage
CAR
C
EC
EV
SP
D
RC
MP
LP
MCC
K
CV
Σ
Σ

Related product manuals