EasyManua.ls Logo

Conti CC100 - HYDRAULIC DIAGRAM

Conti CC100
36 pages
Print Icon
To Next Page IconTo Next Page
To Next Page IconTo Next Page
To Previous Page IconTo Previous Page
To Previous Page IconTo Previous Page
Loading...
Edition 04/2010 - CC100
NOTES TECHNIQUES - TECHNICAL DOCUMENTS - page 29
SACOME, Document CONFIDENTIEL,
Ne peut être reproduit ni communiqué sans notre accord préalable.
SACOME, CONFIDENTIAL Document,
it is forbidden to duplicate or communicate this document without previous authorization.
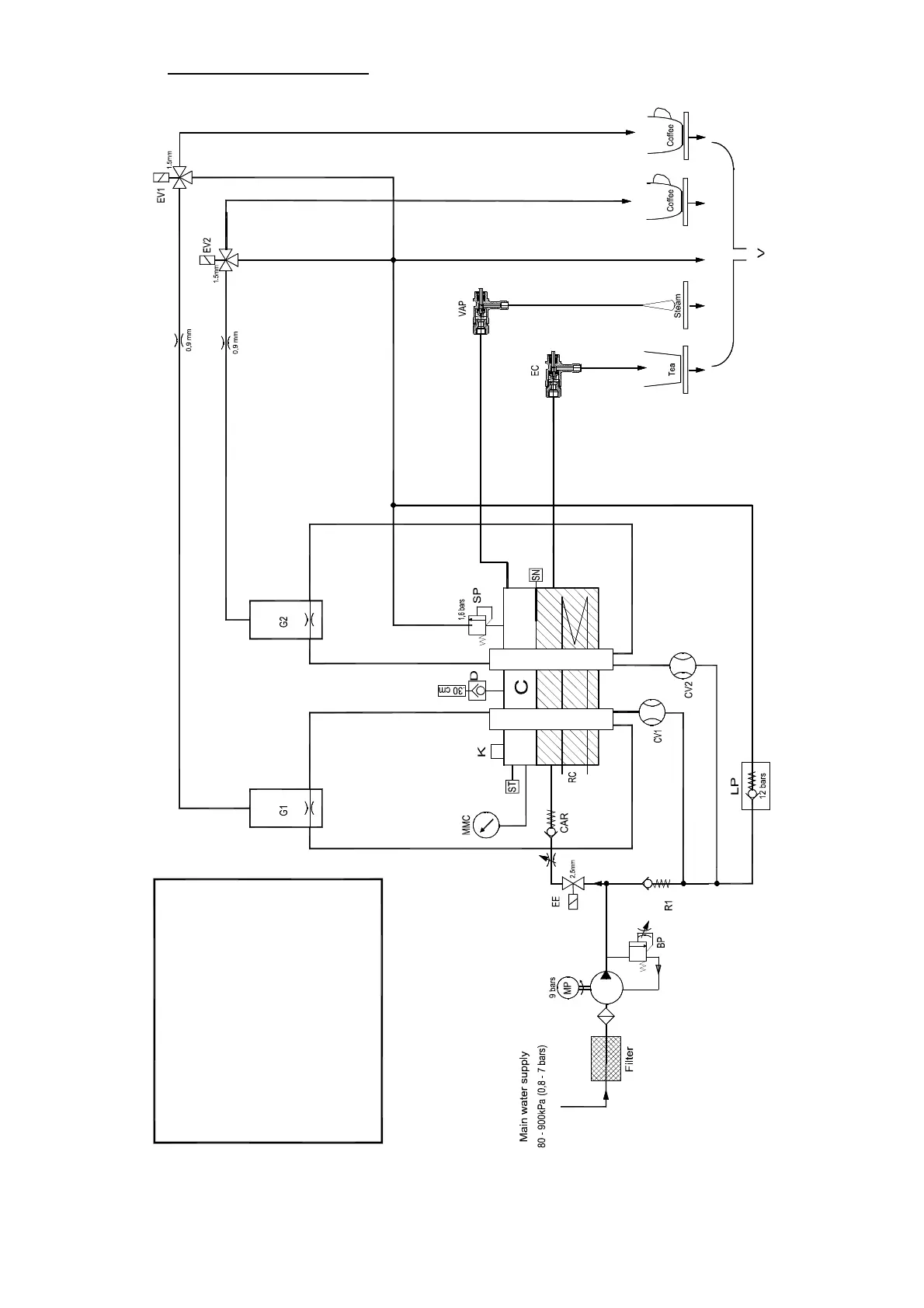
25. HYDRAULIC DIAGRAM
Water level probe
Flow meter
Klixon
Steam boiler heating element
Pump
Pressure gauge
Pressure relief valve 12 bars
Check valve
Vaccum valve
Safety pressure valve 1,6 bars
Boiler
Coffee solenoid valve
Tea tap
Inlet solenoid valve
Drain
Adjustable by-pass
Temperatur sensor
Steam tap
Coffee group head
SN
EE
VAP
BP
G
ST
V
CAR
C
EC
EV
SP
D
RC
MP
LP
MCC
K
CV
Σ
Σ

Related product manuals