EasyManua.ls Logo

Conti Monaco MC - Electric Drawing; CPU Board Standard

Conti Monaco MC
64 pages
Print Icon
To Next Page IconTo Next Page
To Next Page IconTo Next Page
To Previous Page IconTo Previous Page
To Previous Page IconTo Previous Page
Loading...
Edition 05/2021 - MC – Technical documentation - page 49
SACOME, CONFIDENTIAL Document, it is forbidden to duplicate or communicate this document without previous authorization.
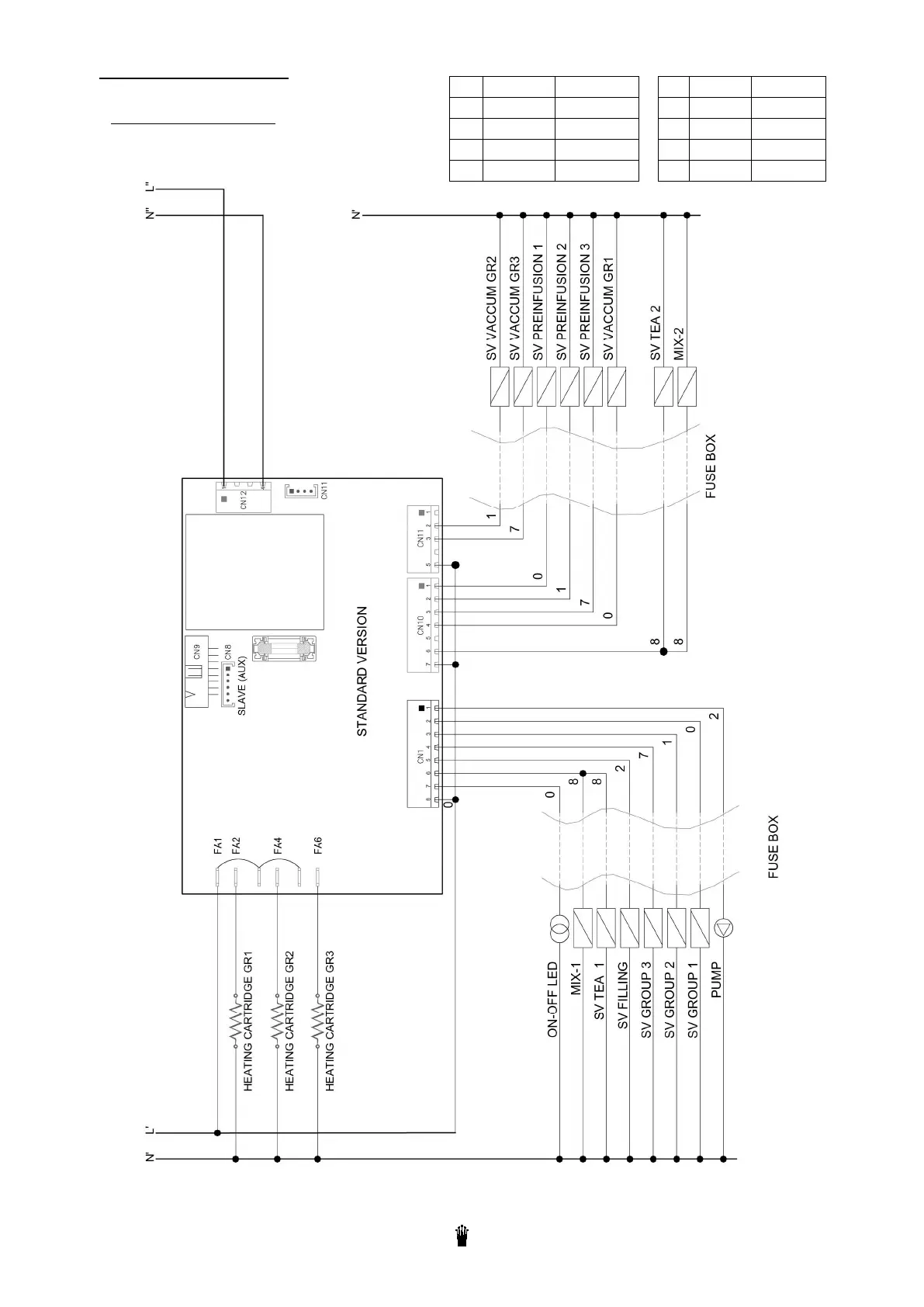
15 ELECTRIC DRAWING
15.1 CPU board standard
CODE COULEURS FILS
CABLE COLOUR CODE
1 marron
brown 6 bleu blue
2 rouge red 7 violet
violet
3 orange
orange 8 gris grey
4 jaune yellow 9 blanc
white
5 vert green 0 noir black

Related product manuals