EasyManua.ls Logo

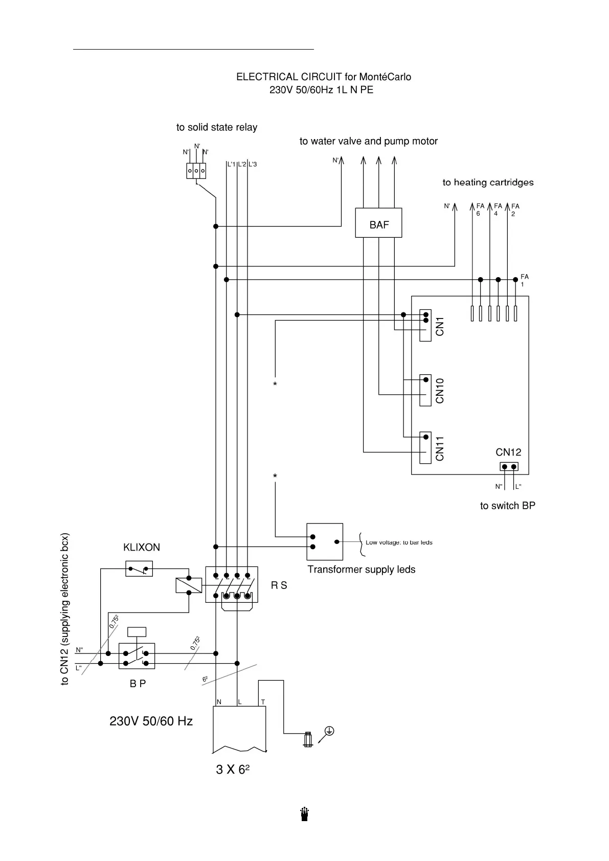
Conti Monaco MC - Electrical Power Diagram for 230 V 1 L N PE

Conti Monaco MC
64 pages
Print Icon
To Next Page IconTo Next Page
To Next Page IconTo Next Page
To Previous Page IconTo Previous Page
To Previous Page IconTo Previous Page
Loading...
Edition 05/2021 - MC – Technical documentation - page 52
SACOME, CONFIDENTIAL Document, it is forbidden to duplicate or communicate this document without previous authorization.
15.4 Electrical power diagram for “230 V 1L N PE”

Related product manuals