EasyManua.ls Logo

Cooper VR-32 - Page 22

Cooper VR-32
52 pages
Print Icon
To Next Page IconTo Next Page
To Next Page IconTo Next Page
To Previous Page IconTo Previous Page
To Previous Page IconTo Previous Page
Loading...
VR-32 Regulator and CL-2A Control
2-5
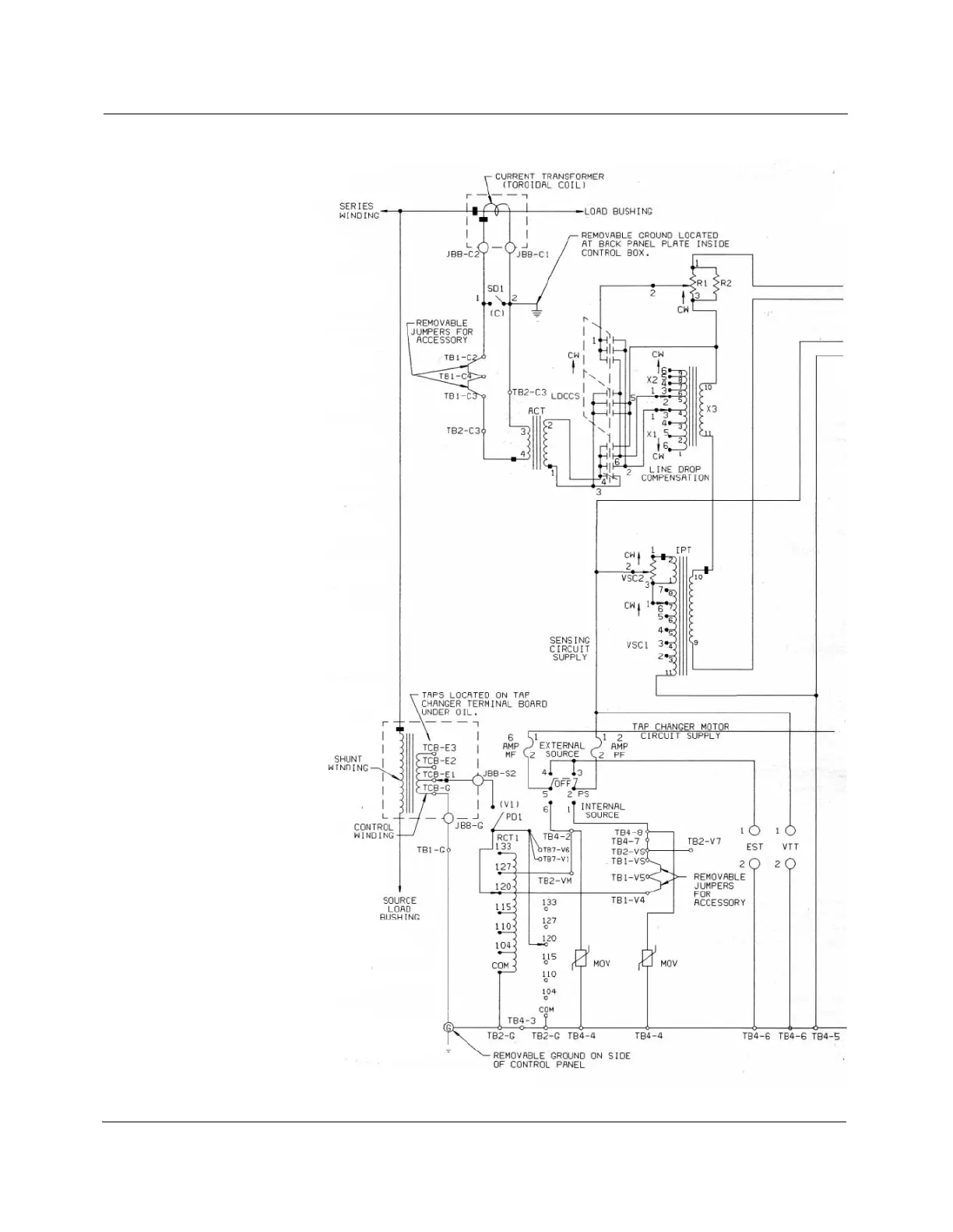
Figure 2-3.
VR-32 Regulator and CL-2A Control wiring schematic.

Related product manuals