EasyManua.ls Logo

Corken D791 - Page 26

Corken D791
52 pages
Print Icon
To Next Page IconTo Next Page
To Next Page IconTo Next Page
To Previous Page IconTo Previous Page
To Previous Page IconTo Previous Page
Loading...
Inlet
(2 weld flange)
Inlet
(2 weld flange)
Outlet
(2
weld flange)
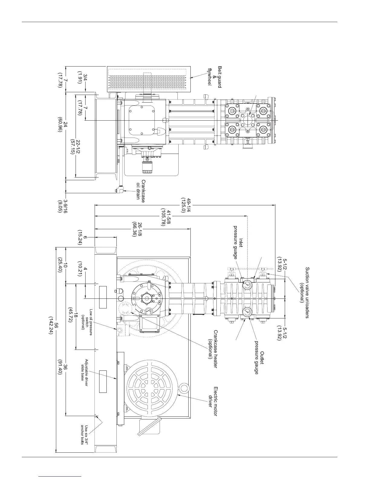
Appendix COutline Dimensions
Model D891 (Single Stage) with 103 Mounting
Inches (Centimeters)
26

Related product manuals