EasyManua.ls Logo

Corken D791 - Page 28

Corken D791
52 pages
Print Icon
To Next Page IconTo Next Page
To Next Page IconTo Next Page
To Previous Page IconTo Previous Page
To Previous Page IconTo Previous Page
Loading...
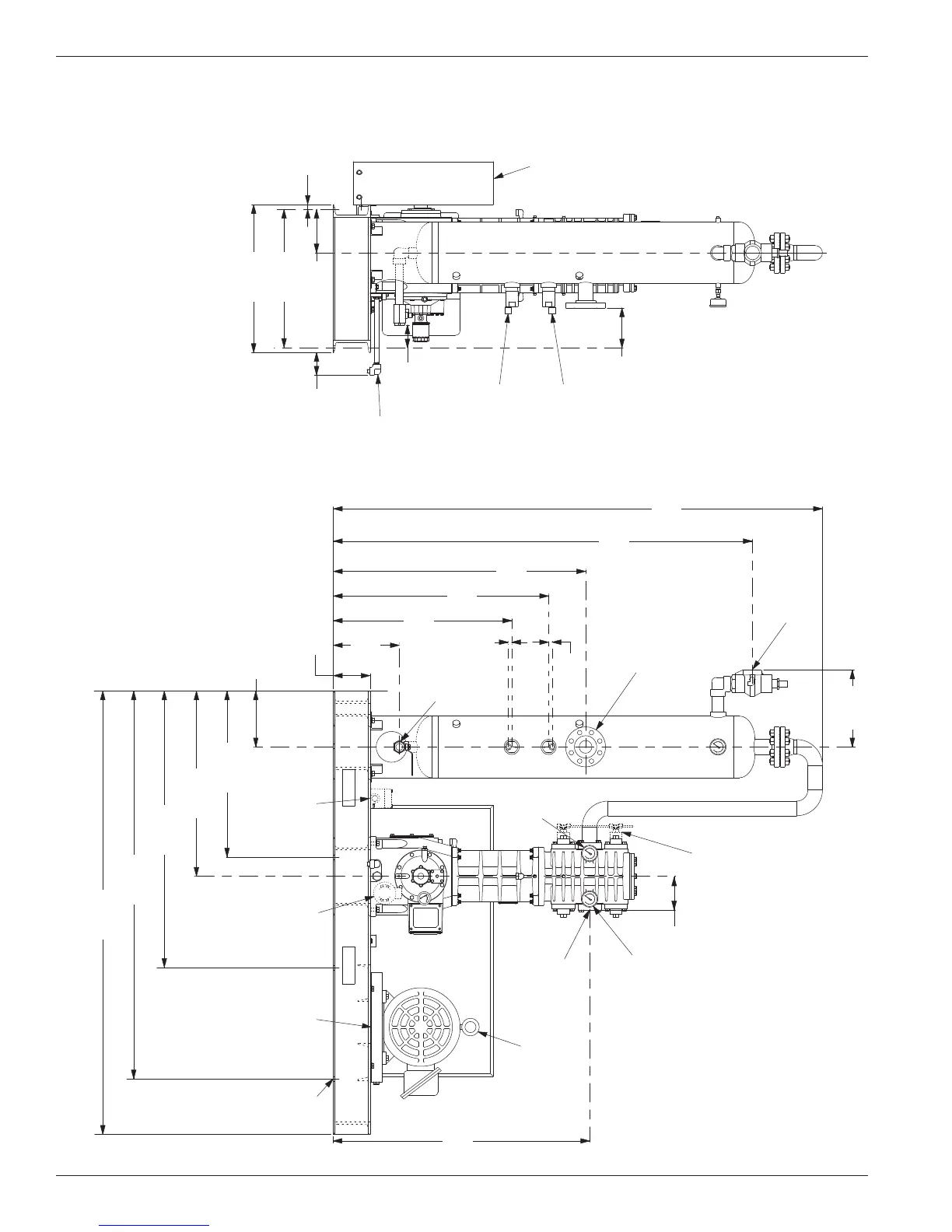
CORKEN CORKEN
FLOW
CORKEN
72
(182.88)
41-21/32
(105.81)
9-3/32
(23.07)
7-1/16
(17.96)
24
(60.96)
3-21/32
(9.31)
3-23/32
(9.45)
6-1/2
(16.49)
3/4
(1.91)
45
(114.3 0)
63
(160.02)
30-5/64
(76.41)
22-1/2
(5 7.15)
Low oil
pressure switch
(optional)
Drain valve
1" NPT
Inlet
pressure
gauge
Outlet 2" weld flange
Electric motor driver
Outlet pressure gauge
Suction valve
unloaders (optional)
Inlet
2" 300# RF
weld neck flange
Relief valve
2" NPT pipe away
High liquid level
shutdown switch
1/2" NPT
High liquid level
alarm switch
1/2" NPT
Crankcase
oil drain
Belt guard
Crankcase
heater
(optional)
Adjustable driver
slide base
Use
eight 3/4"
anchor
bolts
5-15/16
(15.09)
10-11/16
(2 7.15)
28-15/16
(73.51)
34-15/16
(88.75)
40-15/16
(103.99)
68
(172.72)
12-1/2
(31.75)
5-1/2
(13.92)
79-13/32
(201.69)
9/16
(1.43)
9/16
(1.43)
27
(68.58)
Appendix COutline Dimensions
Model D891 (Single Stage) with 109B Mounting
Inches (Centimeters)
28

Related product manuals