EasyManua.ls Logo

Corken D791 - Page 29

Corken D791
52 pages
Print Icon
To Next Page IconTo Next Page
To Next Page IconTo Next Page
To Previous Page IconTo Previous Page
To Previous Page IconTo Previous Page
Loading...
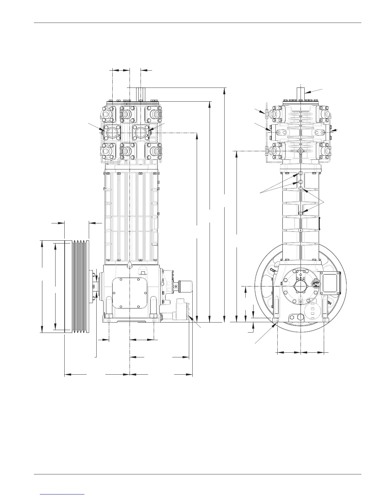
2-9/16 (7)
1 (3)
5-3/8
(14)
Four 9/16″ (1.4)
diameter holes
21-3/16
(54)
20 (51)
5-5/8
(14)
2-1/8 (5)
13-3/4 (35)
15 (38)
4-3/4
(12)
5-1/2 (14)
14-1/2 (37)
43-5/8
(111)
50-7/8
(129)
54
(137)
Crankcase
oil heater
(optional)
39-3/8
(100)
1/4″ NPT
upper
distance
piece
Suction valve
unloaders
(optional)
4 (10)
8-1/4
(21)
1/4″ NPT
lower
distance
piece
1st stage
outlet (2″
weld flange)
1st stage
inlet (2″
weld flange)
1st stage
inlet (2″
weld flange)
2nd stage
outlet (2″
weld flange)
Adjustable
head
5-3/8
(14)
Appendix COutline Dimensions
Model T791 (Two Stage) Bare Compressor with Flywheel
Inches (Centimeters)
29

Related product manuals