EasyManua.ls Logo

Cornelius Energize 2 - Dijagram Toka 142387169 Energize 5 Dvostruka Cirkulacija Sode; Strujna Šema 141660171

Cornelius Energize 2
Print Icon
To Next Page IconTo Next Page
To Next Page IconTo Next Page
To Previous Page IconTo Previous Page
To Previous Page IconTo Previous Page
Loading...
C Energize proizvodna serija
19
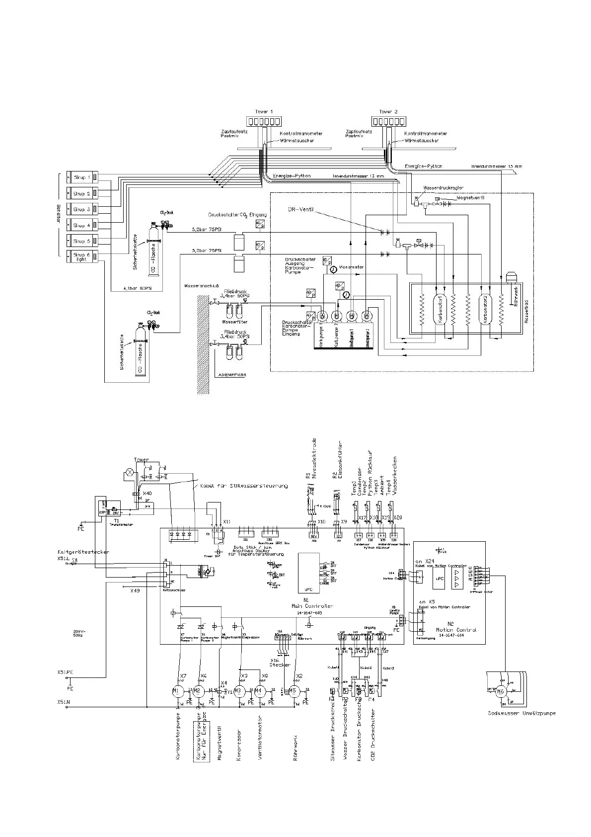
13.5 Dijagram toka 142387169 Energize 5 Dvostruka cirkulacija sode
13.6 Strujna šema 141660171

Table of Contents

Other manuals for Cornelius Energize 2

Related product manuals