EasyManua.ls Logo

Cornelius Energize 2 - Flow Chart 142387169 Energize 5 Dual Recirculation; Circuit Diagram

Cornelius Energize 2
Print Icon
To Next Page IconTo Next Page
To Next Page IconTo Next Page
To Previous Page IconTo Previous Page
To Previous Page IconTo Previous Page
Loading...
C Energize proizvodna serija
38
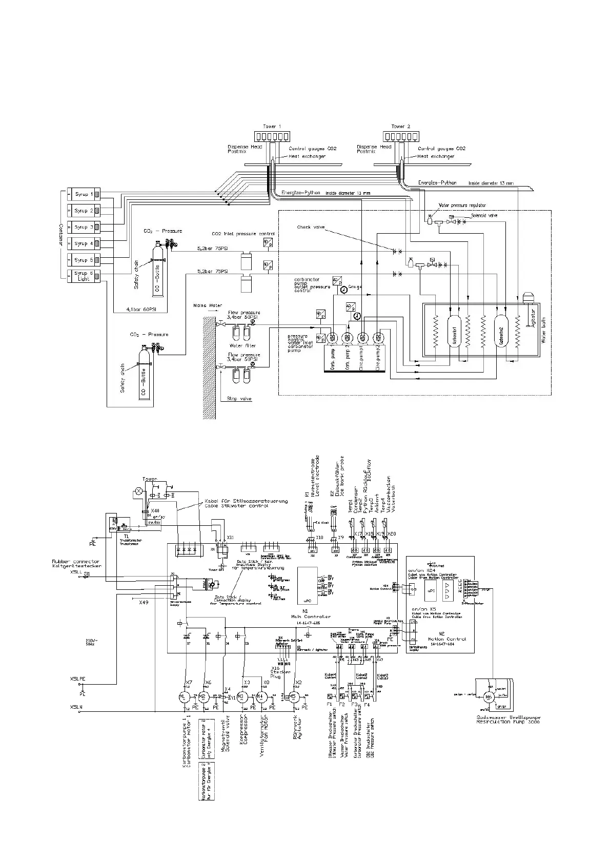
13.5 Flow Chart 142387169 Energize 5 dual recirculation
13.6 Circuit diagram

Table of Contents

Other manuals for Cornelius Energize 2

Related product manuals