EasyManua.ls Logo

Cornelius Energize 2 - 14 Exploded Views; Eksplozivni CrtežI

Cornelius Energize 2
Print Icon
To Next Page IconTo Next Page
To Next Page IconTo Next Page
To Previous Page IconTo Previous Page
To Previous Page IconTo Previous Page
Loading...
C Energize proizvodna serija
39
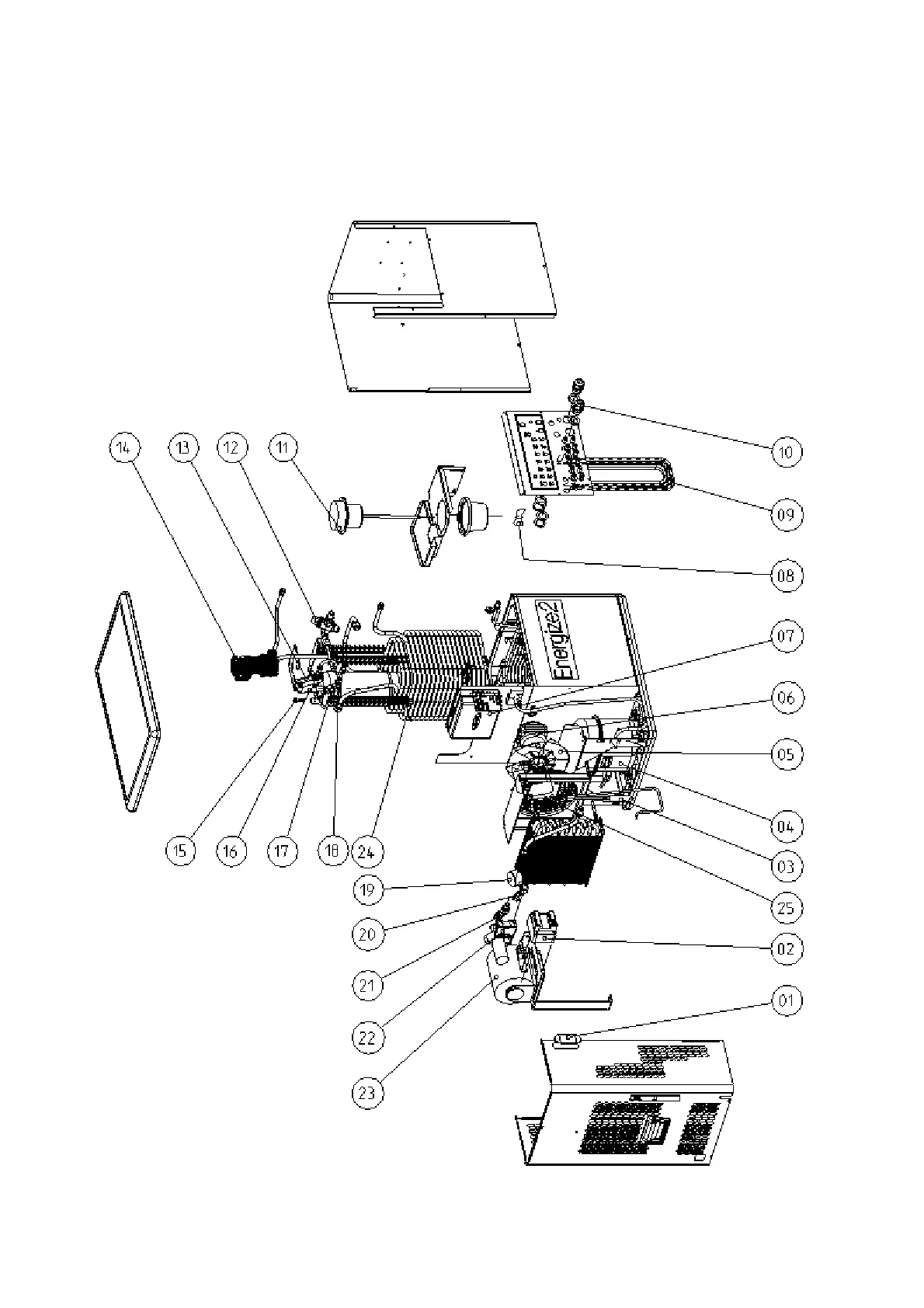
14.0 Exploded Views / Eksplozivni crteži
Energize 2

Table of Contents

Other manuals for Cornelius Energize 2

Related product manuals