EasyManua.ls Logo

Craftsman 113.29921 - Lubrication

Craftsman 113.29921
56 pages
Print Icon
To Next Page IconTo Next Page
To Next Page IconTo Next Page
To Previous Page IconTo Previous Page
To Previous Page IconTo Previous Page
Loading...
Maintaining Your Table Saw (continued)
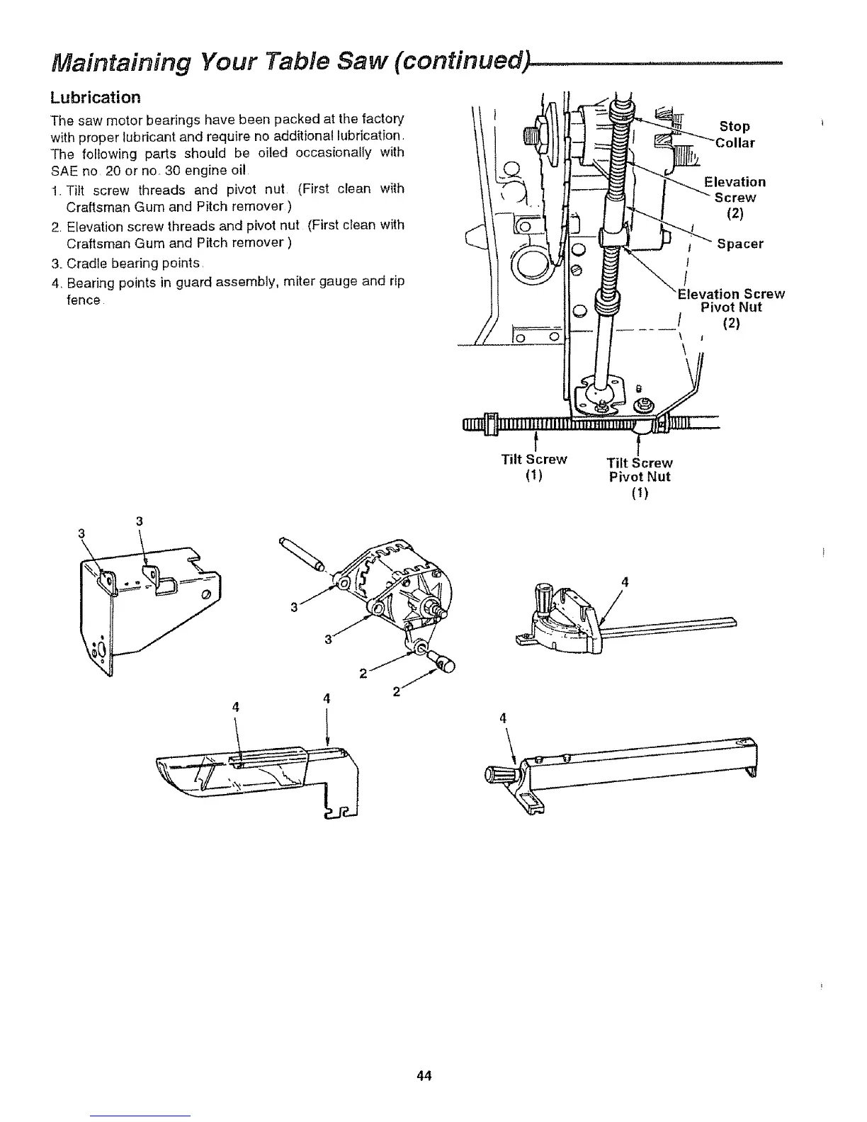
Lubrication
The saw motor bearings have been packed at the factory
with proper lubricant and require no addit}onal lubrication,
The following parts should be oiled occasionally with
SAE no 20 or no 30 engine oil
1 Tilt screw threads and pivot nut (First clean with
Craftsman Gum and Pitch remover)
2 Elevation screw threads and pivot nut (First clean with
Craftsman Gum and Pitch remover )
3. Cradle bearing points,
4, Bearing points in guard assembly, miter gauge and rip
fence
Stop
Elevation
Screw
(2)
Spacer
t
/
Screw
Pivot Nut
t (21
\ J
3
4
+ 1
P
Tilt Screw
(1)
4
Tilt Screw
Pivot Nut
(+)
44

Table of Contents

Related product manuals