EasyManua.ls Logo

Craftsman 113.29921 - Page 50

Craftsman 113.29921
56 pages
Print Icon
To Next Page IconTo Next Page
To Next Page IconTo Next Page
To Previous Page IconTo Previous Page
To Previous Page IconTo Previous Page
Loading...
LzZ
\, \
\
\
34
\
\
\
23 22
12
39
38
21
\
36
\ 31
\
\t 31
_h \\\'"
3 N
12
32
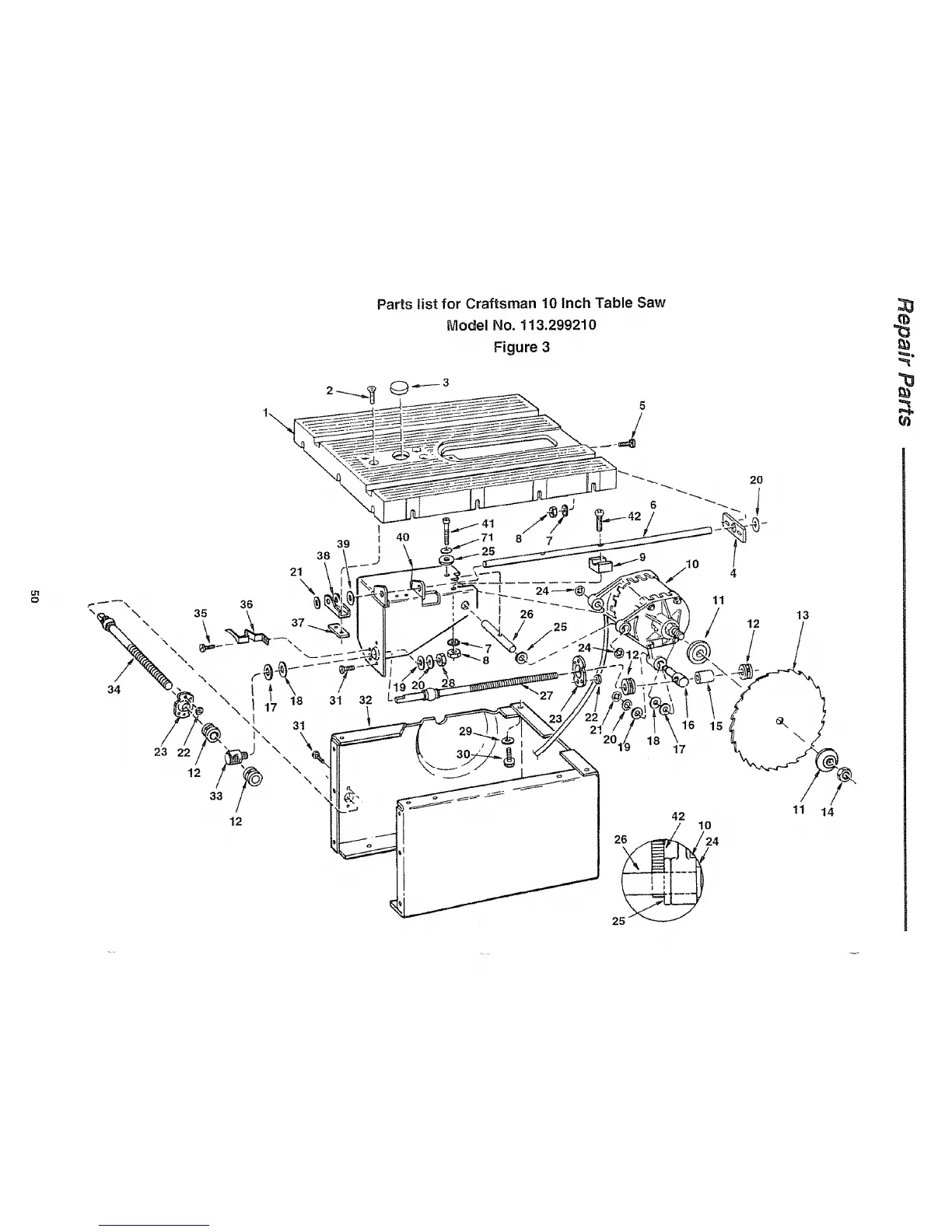
Parts list for Craftsman 10 Inch Table Saw
Model No. 113.299210
Figure 3
5
16 15
201! 17
42
/ 10
4
11
/
13
!
1i 14

Table of Contents

Related product manuals